CAN COMMUNICATION SYSTEM(for LHD), Diagnostic DTC:U0230

DTC Code DTC Name
U0230 Lost Communication with Rear Gate Module

DESCRIPTION

DTC No.

Detection Item

DTC Detection Condition

Trouble Area

DTC Output from

U0230

Lost Communication with Rear Gate Module

There is no communication from the multiplex network door ECU.

  • Power source or inside multiplex network door ECU

  • Multiplex network door ECU CAN branch wire or connector

  • Multiplex network door ECU

Main body ECU (multiplex network body ECU)

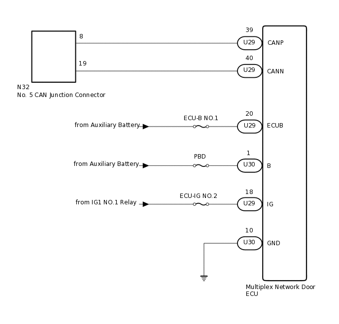
WIRING DIAGRAM

C280381E40

CAUTION / NOTICE / HINT

Note:
  • Because the order of diagnosis is important to allow correct diagnosis, make sure to begin troubleshooting using How to Proceed with Troubleshooting when CAN communication system related DTCs are output.

    Click here

  • Before measuring the resistance of the CAN bus, turn the power switch off and leave the vehicle for 1 minute or more without operating the key, switches or opening or closing the doors. After that, disconnect the cable from the negative (-) auxiliary battery terminal and leave the vehicle for 1 minute or more before measuring the resistance.

  • After turning the power switch off, waiting time may be required before disconnecting the cable from the auxiliary battery terminal. Therefore, make sure to read the disconnecting the cable from the auxiliary battery terminal notice before proceeding with work.

    Click here

  • Inspect the fuses for circuits related to this system before performing the following procedure.

  • After performing repairs, perform the DTC check procedure and confirm that the DTCs are not output again.

  • DTC check procedure: Turn the power switch on (IG) and wait at least 20 seconds.

  • After the repair, perform CAN Bus Check and check that all the ECUs and sensors connected to the CAN communication system are displayed.

    Click here

Tip:
  • Operating the power switch, any switches or any doors triggers related ECU and sensor communication with the CAN, which causes resistance variation.

  • Even after DTCs are cleared, if a DTC is stored again after driving the vehicle for a while, the malfunction may be occurring due to vibration of the vehicle. In such a case, wiggling the ECUs or wire harness while performing the inspection below may help determine the cause of the malfunction.

PROCEDURE

  1. CHECK FOR DTC

    1. Check for DTCs.

      Body Electrical > Main Body > Trouble Codes

      Tip:

      If DTC U1002 is output from gateway of the main body ECU (multiplex network body ECU), this indicates a sub bus 1 malfunction. Troubleshoot for DTC U1002 and check for malfunctions in sub bus 1.

    Result

    Result

    Proceed to

    DTC U1002 is not output from main body ECU (multiplex network body ECU)

    A

    DTC U1002 is output from main body ECU (multiplex network body ECU)

    B

    B

    GO TO GO TO DIAGNOSIS PROCEDURE INDICATED BY OUTPUT DTC

    A
  2. CHECK FOR OPEN IN CAN BUS WIRE (MULTIPLEX NETWORK DOOR ECU CAN BRANCH WIRE)

    1. C317101C12

      *a

      Front view of wire harness connector

      (to Multiplex Network Door ECU)

      Disconnect the cable from the negative (-) auxiliary battery terminal.

    2. Disconnect the multiplex network door ECU connector.

    3. Measure the resistance according to the value(s) in the table below.

      Standard Resistance

      Tester Connection

      Condition

      Specified Condition

      U29-39 (CANP) - U29-40 (CANN)

      Cable disconnected from negative (-) auxiliary battery terminal

      54 to 69 Ω

    Result

    Proceed to

    OK

    NG

    NG

    REPAIR OR REPLACE MULTIPLEX NETWORK DOOR ECU CAN BRANCH WIRE OR CONNECTOR (CANP, CANN)

    OK
  3. CHECK HARNESS AND CONNECTOR (MULTIPLEX NETWORK DOOR ECU - BATTERY AND BODY GROUND)

    1. C325480C23

      *a

      Front view of wire harness connector

      (to Multiplex Network Door ECU)

      Connect the cable to the negative (-) auxiliary battery terminal.

      Note:

      When disconnecting the cable, some systems need to be initialized after the cable is reconnected.

      Click here

    2. Disconnect the multiplex network door ECU connector.

    3. Measure the voltage according to the value(s) in the table below.

      Standard Voltage

      Tester Connection

      Switch Condition

      Specified Condition

      U29-20 (ECUB) - Body ground

      Power switch off

      11 to 14 V

      U30-1 (B) - Body ground

      Power switch off

      11 to 14 V

      U29-18 (IG) - Body ground

      Power switch on (IG)

      11 to 14 V

    4. Measure the resistance according to the value(s) in the table below.

      Standard Resistance

      Tester Connection

      Condition

      Specified Condition

      U30-10 (GND) - Body ground

      Always

      Below 1 Ω

    Result

    Proceed to

    OK

    NG

    OK

    REPLACE MULTIPLEX NETWORK DOOR ECU

    NG

    REPAIR OR REPLACE HARNESS OR CONNECTOR