СИСТЕМА ПОДОГРЕВА СИДЕНИЙ Не работает подогреватель левого переднего сиденья

Код DTC Наименование DTC
Не работает подогреватель левого переднего сиденья

ОПИСАНИЕ

Во время работы переключателя подогрева сидений для сидений с функцией обдува блок управления системой кондиционирования в сборе получает сигнал и контролирует работу подогревателей передних сидений.

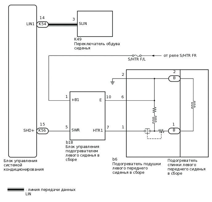
СХЕМА ЭЛЕКТРИЧЕСКИХ СОЕДИНЕНИЙ

B480024E06

ПРЕДОСТЕРЕЖЕНИЕ / ПРИМЕЧАНИЕ / УКАЗАНИЕ

Note:
  • При низком напряжении аккумуляторной батареи система подогрева сидений может не работать из-за функции регулирования нагрузки аккумуляторной батареи (см. параметр Data List "Battery Control Count (Body ECU)").

    Нажмите здесьClick here

  • Перед выполнением последующей процедуры проверки проверьте плавкие предохранители цепей, относящихся к данной системе.

ПОРЯДОК ВЫПОЛНЕНИЯ

  1. УДАЛИТЕ DTC

    1. Сбросьте коды DTC.

      Body Electrical > Air Conditioner > Clear DTCs

    Result

    Перейти к

    СЛЕДУЮЩЕЕ -

    СЛЕДУЮЩЕЕ -
  2. ПРОВЕРЬТЕ DTC

    1. Проверьте наличие кодов DTC.

      Body Electrical > Air Conditioner > Trouble Codes

      OK

      DTC B14B5 или B14C1 не выводится.

    Результат

    Перейти к

    OK

    НЕ СООТВ.

    НЕ СООТВ.

    ПЕРЕЙДИТЕ К "ТАБЛИЦЕ ДИАГНОСТИЧЕСКИХ КОДОВ НЕИСПРАВНОСТЕЙ"

    Нажмите здесьClick here

    СООТВ
  3. ВЫПОЛНИТЕ АКТИВНУЮ ДИАГНОСТИКУ С ПОМОЩЬЮ GTS

    1. Подключите GTS к DLC3.

    2. Включите зажигание (IG).

    3. Включите GTS.

    4. Войдите в следующие меню: Body Electrical / Air Conditioner / Active Test.

    5. Выполните диагностику в режиме ACTIVE TEST в соответствии с указаниями на дисплее GTS.

      Body Electrical > Air Conditioner > Active Test

      Информация на дисплее прибора

      Измеряемая величина

      Диапазон регулирования

      Замечание по диагностике

      Подогреватель переднего левого сиденья

      Работа подогревателя переднего левого сиденья

      OFF (ВЫКЛ) или ON (ВКЛ)

      -

      Body Electrical > Air Conditioner > Active Test

      Информация на дисплее прибора

      Подогреватель переднего левого сиденья

      СООТВ

      Подогреватель сиденья работает нормально.

    Result

    Перейти к

    OK

    НЕ СООТВ.

    СООТВ

    ЗАМЕНИТЕ ПЕРЕКЛЮЧАТЕЛЬ ОБДУВА СИДЕНЬЯ

    Нажмите здесьClick here

    НЕ СООТВ.
  4. ПРОВЕРЬТЕ ПОДОГРЕВАТЕЛЬ ПОДУШКИ ЛЕВОГО ПЕРЕДНЕГО СИДЕНЬЯ

    1. Снимите подогреватель подушки левого переднего сиденья в сборе.

      Для сиденья с ручным приводом: Нажмите здесьClick hereClick here

      Для сиденья с электроприводом: Нажмите здесьClick here

    2. Проверьте подогреватель подушки левого переднего сиденья в сборе.

      Для сиденья с ручным приводом: Нажмите здесьClick here

      Для сиденья с электроприводом: Нажмите здесьClick here

    Result

    Перейти к

    OK

    НЕ СООТВ.

    НЕ СООТВ.

    ЗАМЕНИТЕ ПОДОГРЕВАТЕЛЬ ПОДУШКИ ЛЕВОГО ПЕРЕДНЕГО СИДЕНЬЯ В СБОРЕ

    для сиденья с ручным приводом: Нажмите здесьClick hereClick here

    Для сидений с электроприводом: Нажмите здесьClick here

    СООТВ
  5. ПРОВЕРЬТЕ ПОДОГРЕВАТЕЛЬ СПИНКИ ЛЕВОГО ПЕРЕДНЕГО СИДЕНЬЯ В СБОРЕ

    1. Снимите подогреватель спинки левого переднего сиденья.

      Нажмите здесьClick here

    2. Проверьте подогреватель спинки левого переднего сиденья в сборе.

      Нажмите здесьClick here

    Результат

    Перейти к

    OK

    НЕ СООТВ.

    НЕ СООТВ.

    ЗАМЕНИТЕ ПОДОГРЕВАТЕЛЬ СПИНКИ ЛЕВОГО ПЕРЕДНЕГО СИДЕНЬЯ В СБОРЕ

    Нажмите здесьClick here

    СООТВ
  6. ПРОВЕРЬТЕ ЖГУТ ПРОВОДОВ И РАЗЪЕМ (ИСТОЧНИК ПИТАНИЯ IG – БЛОК УПРАВЛЕНИЯ ПОДОГРЕВАТЕЛЕМ ЛЕВОГО СИДЕНЬЯ В СБОРЕ)

    1. B480034C06

      *a

      Вид спереди разъема со стороны жгута проводов:

      (к блоку управления подогревателем левого сиденья в сборе)

      Отсоедините разъем b18 блока управления подогревателем левого сиденья.

    2. Измерьте напряжение в соответствии со значениями, приведенными в таблице.

      Номинальное напряжение

      Подключение диагностического прибора

      Условие

      Заданные условия

      b18-1 (+B1) - масса

      Зажигание включено (IG)

      11–14 В

      b18-1 (+B1) - масса

      Зажигание выключено

      Менее 1 В

    Результат

    Перейти к

    OK

    НЕ СООТВ.

    НЕ СООТВ.

    ОТРЕМОНТИРУЙТЕ ИЛИ ЗАМЕНИТЕ ЖГУТ ПРОВОДОВ ИЛИ РАЗЪЕМ

    СООТВ
  7. ПРОВЕРЬТЕ ЖГУТ ПРОВОДОВ И РАЗЪЕМ (БЛОК УПРАВЛЕНИЯ СИСТЕМОЙ КОНДИЦИОНИРОВАНИЯ - БЛОК УПРАВЛЕНИЯ ПОДОГРЕВАТЕЛЕМ ЛЕВОГО СИДЕНЬЯ В СБОРЕ)

    1. Отсоедините разъем b18 блока управления подогревателем левого сиденья.

    2. Отсоедините разъем K56 блока управления системой кондиционирования в сборе.

    3. Измерьте сопротивление в соответствии со значениями, приведенными в таблице ниже.

      Номинальное сопротивление

      Подключение диагностического прибора

      Условие

      Заданные условия

      K56-15 (SHD+) - b18-5 (SWR)

      Всегда

      Менее 1 Ом

      K56-15 (SHD+) или b18-5 (SWR) - масса

      Всегда

      10 кОм или более

    Результат

    Перейти к

    OK

    НЕ СООТВ.

    НЕ СООТВ.

    ОТРЕМОНТИРУЙТЕ ИЛИ ЗАМЕНИТЕ ЖГУТ ПРОВОДОВ ИЛИ РАЗЪЕМ

    СООТВ
  8. ПРОВЕРЬТЕ ЖГУТ ПРОВОДОВ И РАЗЪЕМ (БЛОК УПРАВЛЕНИЯ ПОДОГРЕВАТЕЛЕМ ЛЕВОГО СИДЕНЬЯ В СБОРЕ - ПОДОГРЕВАТЕЛЬ ПОДУШКИ ЛЕВОГО ПЕРЕДНЕГО СИДЕНЬЯ В СБОРЕ)

    1. Отсоедините разъем b6 от подогревателя подушки левого переднего сиденья в сборе.

    2. Отсоедините разъем b18 блока управления подогревателем левого сиденья.

    3. Измерьте сопротивление в соответствии со значениями, приведенными в таблице ниже.

      Номинальное сопротивление

      Подключение диагностического прибора

      Условие

      Заданные условия

      b18-10 (E) - b6-6

      Всегда

      Менее 1 Ом

      b18-10 (E) или b6-6 - масса

      Всегда

      10 кОм или более

      b18-7 (HTR1) - b6-1

      Всегда

      Менее 1 Ом

      b18-7 (HTR1) или b6-1 - масса

      Всегда

      10 кОм или более

    Результат

    Перейти к

    OK

    НЕ СООТВ.

    НЕ СООТВ.

    ОТРЕМОНТИРУЙТЕ ИЛИ ЗАМЕНИТЕ ЖГУТ ПРОВОДОВ ИЛИ РАЗЪЕМ

    СООТВ
  9. ПРОВЕРЬТЕ ЖГУТ ПРОВОДОВ И РАЗЪЕМ (ПОДОГРЕВАТЕЛЬ ПОДУШКИ ЛЕВОГО ПЕРЕДНЕГО СИДЕНЬЯ В СБОРЕ - МАССА)

    1. Отсоедините разъем b6 от подогревателя подушки левого переднего сиденья в сборе.

    2. Измерьте сопротивление в соответствии со значениями, приведенными в таблице ниже.

      Номинальное сопротивление

      Подключение диагностического прибора

      Условие

      Заданные условия

      b6-2 - масса

      Всегда

      Менее 1 Ом

    Результат

    Перейти к

    OK

    НЕ СООТВ.

    НЕ СООТВ.

    ОТРЕМОНТИРУЙТЕ ИЛИ ЗАМЕНИТЕ ЖГУТ ПРОВОДОВ ИЛИ РАЗЪЕМ

    СООТВ
  10. ЗАМЕНИТЕ БЛОК УПРАВЛЕНИЯ ПОДОГРЕВАТЕЛЕМ ЛЕВОГО СИДЕНЬЯ В СБОРЕ

    1. Временно замените блок управления подогревателем левого сиденья в сборе новым или заведомо исправным.

      Нажмите здесьClick here

    Результат

    Перейти к

    СЛЕДУЮЩЕЕ -

    СЛЕДУЮЩЕЕ -
  11. ПРОВЕРЬТЕ РАБОТУ ПОДОГРЕВАТЕЛЯ СИДЕНЬЯ

    1. Проверьте работу подогревателя переднего сиденья.

      Нажмите здесьClick hereClick hereClick here

      OK

      Подогреватель сиденья работает нормально.

    Result

    Перейти к

    OK

    НЕ СООТВ.

    OK

    КОНЕЦ (БЛОК УПРАВЛЕНИЯ ПОДОГРЕВАТЕЛЕМ ЛЕВОГО СИДЕНЬЯ В СБОРЕ НЕИСПРАВЕН)

    НЕ СООТВ.

    ЗАМЕНИТЕ БЛОК УПРАВЛЕНИЯ СИСТЕМОЙ КОНДИЦИОНИРОВАНИЯ

    Нажмите здесьClick hereClick here