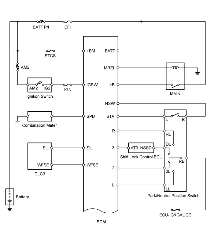
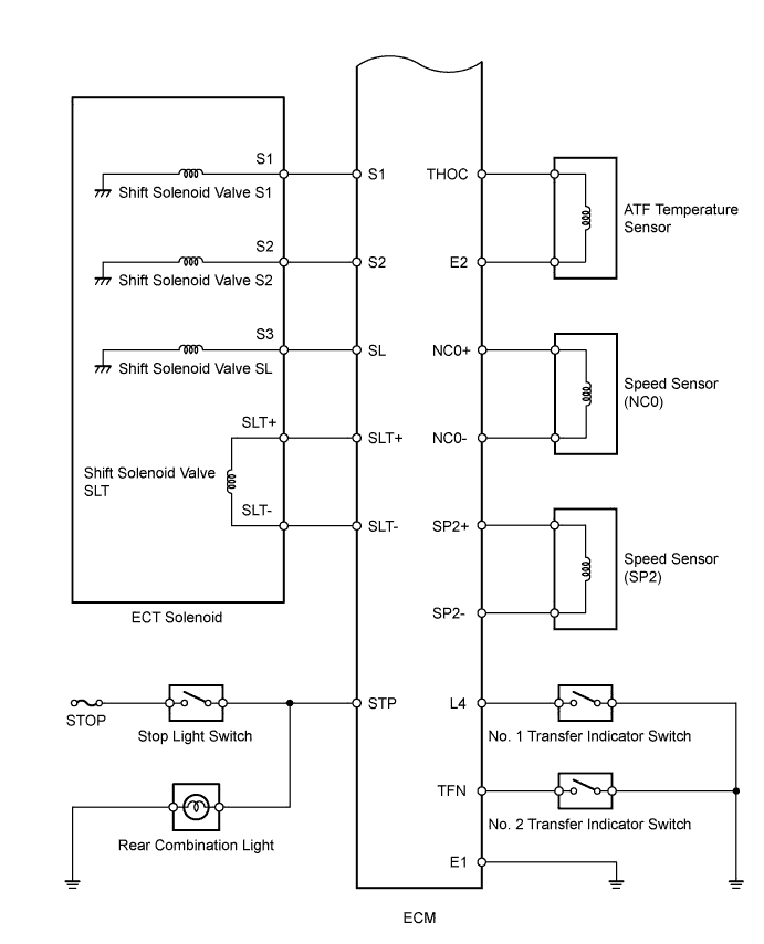
СИСТЕМА АВТОМАТИЧЕСКОЙ ТРАНСМИССИИ СХЕМА СИСТЕМЫ

The configuration of the electronic control system in the A343F automatic transmission is as shown in the following chart.

A01E0X5E06
A01E0DBE01
A01DVDHE08
A01DXATE02