SEAT BELT WARNING SYSTEM(w/o Occupant Classification System) Rear Seat Belt Warning Light Malfunction

DTC Code DTC Name
Rear Seat Belt Warning Light Malfunction

DESCRIPTION

When a rear door is opened and closed (the rear door courtesy light switch turns on and off) with the power switch on (IG), or when a rear door is opened and closed (the rear door courtesy light switch turns on and off) and then the power switch is turned on (IG), the rear seat belt warning light in the combination meter assembly turns on to inform the driver of condition of the rear seat belts. If a rear seat belt is fastened or unfastened, the warning light changes to indicate the current condition of the rear seat belts.

Only for vehicles with a rear seat belt indicator.

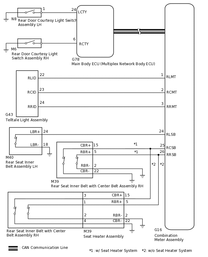
WIRING DIAGRAM

C351200E01

CAUTION / NOTICE / HINT

Note:
  • The seat belt warning system uses a CAN communication system. Inspect the communication function by following How to Proceed with troubleshooting.

    for LHD:Click here

    for RHD:Click here

  • When replacing the main body ECU (multiplex network body ECU), make sure to replace it with a new one.

PROCEDURE

  1. READ VALUE USING GTS (RL DOOR COURTESY SW, RR DOOR COURTESY SW)

    1. Connect the GTS to the DLC3.

    2. Turn the power switch on (IG).

    3. Turn the GTS on.

    4. Enter the following menus: Body Electrical / Main Body / Data List.

    5. Read the Data List according to the display on the GTS.

      Body Electrical > Main Body > Data List

      Tester Display

      Measurement Item

      Range

      Normal Condition

      Diagnostic Note

      RR Door Courtesy SW

      Rear door LH courtesy light switch signal

      ON/OFF

      ON: Rear door LH open

      OFF: Rear door LH closed

      -

      RL Door Courtesy SW

      Rear door RH courtesy light switch signal

      ON/OFF

      ON: Rear door RH open

      OFF: Rear door RH closed

      -

      Body Electrical > Main Body > Data List

      Tester Display

      RR Door Courtesy SW

      RL Door Courtesy SW

    Result

    Result

    Proceed to

    ON or OFF is displayed on the GTS screen according to the rear door courtesy light switch condition

    A

    ON or OFF is not displayed normally on the GTS screen according to the rear door courtesy light switch condition

    B

    B

    GO TO LIGHTING SYSTEM

    A
  2. READ VALUE USING GTS (2ND-ROW SEATBELT BUCKLE [R], 2ND-ROW SEATBELT BUCKLE [L], 2ND-ROW SEATBELT BUCKLE [C])

    1. Connect the GTS to the DLC3.

    2. Turn the power switch on (IG).

    3. Turn the GTS on.

    4. Enter the following menus: Body Electrical / Combination Meter / Data List.

    5. Read the Data List according to the display on the GTS.

      Body Electrical > Combination Meter > Data List

      Tester Display

      Measurement Item

      Range

      Normal Condition

      Diagnostic Note

      2nd-Row Seatbelt Buckle (R)

      Rear seat belt buckle RH signal

      ON/OFF

      ON: Rear seat belt RH fastened

      OFF: Rear seat belt RH unfastened

      -

      2nd-Row Seatbelt Buckle (L)

      Rear seat belt buckle LH signal

      ON/OFF

      ON: Rear seat belt LH fastened

      OFF: Rear seat belt LH unfastened

      -

      2nd-Row Seatbelt Buckle (C)

      Rear seat center belt buckle signal

      ON/OFF

      ON: Rear seat center belt fastened

      OFF: Rear seat center belt unfastened

      -

      Body Electrical > Combination Meter > Data List

      Tester Display

      2nd-Row Seatbelt Buckle (R)

      2nd-Row Seatbelt Buckle (L)

      2nd-Row Seatbelt Buckle (C)

    Result

    Result

    Proceed to

    ON or OFF is displayed on the GTS screen according to the rear seat belt condition

    A

    ON or OFF is not displayed normally on the GTS screen according to the rear seat belt condition (w/o Seat Heater System)

    B

    ON or OFF is not displayed normally on the GTS screen according to the rear seat belt condition (w/ Seat Heater System)

    C

    B

    INSPECT REAR SEAT INNER BELT ASSEMBLYClick here

    C

    INSPECT REAR SEAT INNER BELT ASSEMBLYClick here

    A
  3. PERFORM ACTIVE TEST USING GTS (REAR SEAT BELT)

    1. Connect the GTS to the DLC3.

    2. Turn the power switch on (IG).

    3. Turn the GTS on.

    4. Enter the following menus: Body Electrical / Combination Meter / Data List.

    5. Read the Data List according to the display on the GTS.

      Body Electrical > Combination Meter > Active Test

      Tester Display

      Measurement Item

      Control Range

      Diagnostic Note

      Rear Seat Belt

      Rear seat belt warning light

      ON/OFF

      Confirm that the vehicle is stopped.

      Body Electrical > Combination Meter > Active Test

      Tester Display

      Rear Seat Belt

      OK

      The rear seat belt warning light on the combination meter assembly operates normally.

    Result

    Proceed to

    OK

    NG

    NG

    INSPECT TELLTALE LIGHT ASSEMBLYClick here

    OK
  4. REPLACE COMBINATION METER ASSEMBLY

    1. Replace the combination meter assembly with a new one.

      Click here

    Result

    Proceed to

    NEXT

    NEXT
  5. CHECK REAR SEAT BELT WARNING LIGHT

    1. Check the operation of the rear seat belt warning light.

      Click here

    Result

    Proceed to

    The rear seat belt warning light operates normally.

    The rear seat belt warning light operates abnormally.

    The rear seat belt warning light operates normally.

    REPLACE MAIN BODY ECU (MULTIPLEX NETWORK BODY ECU)

    Click here(for LHD)

    Click here(for RHD)

    The rear seat belt warning light operates abnormally.

    END (COMBINATION METER ASSEMBLY WAS DEFECTIVE)

  6. INSPECT TELLTALE LIGHT ASSEMBLY

    1. Remove the telltale light assembly.

      Click here

    2. Inspect the telltale light assembly.

      Click here

    Result

    Proceed to

    OK

    NG

    NG

    REPLACE TELLTALE LIGHT ASSEMBLY

    OK
  7. CHECK HARNESS AND CONNECTOR (TELLTALE LIGHT ASSEMBLY - COMBINATION METER ASSEMBLY AND BODY GROUND)

    1. Disconnect the G43 telltale light assembly connector.

    2. Disconnect the G16 combination meter assembly meter connector.

    3. Measure the resistance according to the value(s) in the table below.

      Standard Resistance

      Tester Connection

      Condition

      Specified Condition

      G43-22 (RLID) - G16-1 (RLMT)

      Always

      Below 1 Ω

      G43-23 (RCID) - G16-2 (RCMT)

      G43-24 (RRID) - G16-3 (RRMT)

      G43-22 (RLID) - Body ground

      Always

      10 kΩ or higher

      G43-23 (RCID) - Body ground

      G43-24 (RRID) - Body ground

    Result

    Proceed to

    OK

    NG

    OK

    REPLACE COMBINATION METER ASSEMBLY

    NG

    REPAIR OR REPLACE HARNESS OR CONNECTOR

  8. INSPECT REAR SEAT INNER BELT ASSEMBLY

    1. Remove the rear seat inner belt assembly.

      Click here

    2. Inspect the rear seat inner belt assembly.

      Click here

    Result

    Proceed to

    OK

    NG (for LH)

    NG (for RH or for Center)

    NG (for LH)

    REPLACE REAR SEAT INNER BELT ASSEMBLY LH

    NG (for RH or for Center)

    REPLACE REAR SEAT INNER WITH CENTER BELT ASSEMBLY RH

    OK
  9. CHECK HARNESS AND CONNECTOR (REAR SEAT INNER BELT ASSEMBLY - COMBINATION METER ASSEMBLY AND BODY GROUND)

    1. Disconnect the M40*1 or M39*2 rear seat inner belt with center belt assembly connector.

      • *1: for LH

        *2: for Center or for RH

    2. Disconnect the G16 combination meter assembly connector.

    3. Measure the resistance according to the value(s) in the table below.

      Standard Resistance

      for LH

      Tester Connection

      Condition

      Specified Condition

      M40-24 (LBR+) - G16-24 (RLSB)

      Always

      Below 1 Ω

      M40-18 (LBR-) - Body ground

      M40-24 (LBR+) - Body ground

      Always

      10 kΩ or higher

      for Center

      Tester Connection

      Condition

      Specified Condition

      M39-15 (CBR+) - G16-25 (RCSB)

      Always

      Below 1 Ω

      M39-22 (CBR-) - Body ground

      M39-15 (CBR+) - Body ground

      Always

      10 kΩ or higher

      for RH

      Tester Connection

      Condition

      Specified Condition

      M39-5 (RBR+) - G16-26 (RRSB)

      Always

      Below 1 Ω

      M39-2 (RBR-) - Body ground

      M39-5 (RBR+) - Body ground

      Always

      10 kΩ or higher

    Result

    Proceed to

    OK

    NG

    OK

    REPLACE COMBINATION METER ASSEMBLY

    NG

    REPAIR OR REPLACE HARNESS OR CONNECTOR

  10. INSPECT REAR SEAT INNER BELT ASSEMBLY

    1. Remove the rear seat inner belt assembly.

      Click here

    2. Inspect the rear seat inner belt assembly.

      Click here

    Result

    Proceed to

    OK (for LH)

    OK (for RH or for Center)

    NG (for LH)

    NG (for RH or for Center)

    OK (for RH or for Center)

    INSPECT SEAT HEATER ASSEMBLYClick here

    NG (for LH)

    REPLACE REAR SEAT INNER BELT ASSEMBLY LH

    NG (for RH or for Center)

    REPLACE REAR SEAT INNER WITH CENTER BELT ASSEMBLY RH

    OK (for LH)
  11. CHECK HARNESS AND CONNECTOR (REAR SEAT INNER BELT ASSEMBLY LH - COMBINATION METER ASSEMBLY AND BODY GROUND)

    1. Disconnect the M40 rear seat inner belt with center belt assembly LH connector.

    2. Disconnect the G16 combination meter assembly connector.

    3. Measure the resistance according to the value(s) in the table below.

      Standard Resistance

      Tester Connection

      Condition

      Specified Condition

      M40-24 (LBR+) - G16-24 (RLSB)

      Always

      Below 1 Ω

      M40-18 (LBR-) - Body ground

      M40-13 (LBR+) - Body ground

      Always

      10 kΩ or higher

    Result

    Proceed to

    OK

    NG

    OK

    REPLACE COMBINATION METER ASSEMBLY

    NG

    REPAIR OR REPLACE HARNESS OR CONNECTOR

  12. INSPECT SEAT HEATER ASSEMBLY

    1. C351199C01

      *a

      Connector A

      *b

      Connector B

      *c

      Component without harness connected

      (Seat Heater Assembly)

      Remove the seat heater assembly.

      Click here

    2. Measure the resistance according to the value(s) in the table below.

      Standard Resistance

      Tester Connection

      Condition

      Specified Condition

      A-15 (CBR+) - B-3

      Always

      Below 1 Ω

      A-22 (CBR-) - B-4

      A-5 (BBR+) - B-1

      A-2 (BBR-) - B-2

    Result

    Proceed to

    OK

    NG

    NG

    REPLACE SEAT HEATER ASSEMBLY

    OK
  13. CHECK HARNESS AND CONNECTOR (SEAT HEATER ASSEMBLY - COMBINATION METER ASSEMBLY AND BODY GROUND)

    1. Disconnect the M39 seat heater assembly connector.

    2. Disconnect the G16 combination meter assembly connector.

    3. Measure the resistance according to the value(s) in the table below.

      Standard Resistance

      for Center

      Tester Connection

      Condition

      Specified Condition

      M39-15 (CBR+) - G16-25 (RCSB)

      Always

      Below 1 Ω

      M39-22 (CBR-) - Body ground

      M39-15 (CBR+) - Body ground

      Always

      10 kΩ or higher

      for RH

      Tester Connection

      Condition

      Specified Condition

      M39-5 (RBR+) - G16-26 (RRSB)

      Always

      Below 1 Ω

      M39-2 (RBR-) - Body ground

      M39-5 (RBR+) - Body ground

      Always

      10 kΩ or higher

    Result

    Proceed to

    OK

    NG

    OK

    REPLACE COMBINATION METER ASSEMBLY

    NG

    REPAIR OR REPLACE HARNESS OR CONNECTOR