СИСТЕМА УПРАВЛЕНИЯ ГИБРИДНОЙ СИСТЕМОЙ, диагностический DTC: P2532-772

Код DTC Наименование DTC
P2532-772 Высокий уровень сигнала в цепи рабочего положения выключателя питания

ОПИСАНИЕ

ЭБУ гибридной системы анализирует сигналы IGSW, передаваемые ЭБУ электронного ключа зажигания (ЭБУ сертификации), для выявления неисправностей.

Tip:

Когда сохраняется DTC P2532-772, питание автомобиля выключается (состояние READY выключено).

№ DTC

Неисправность

Условие обнаружения DTC

Неисправный участок

MIL

Индикация предупреждения

P2532-772

Высокий уровень сигнала в цепи рабочего положения выключателя питания

В случае нарушения связи с ЭБУ, который получает питание по цепи IG1, напряжение питания подается на вывод IG2

(логика диагностирования за 1 поездку)

  • Система передачи данных CAN

  • Жгут проводов или разъем

  • Силовой полупроводниковый интегрированный ЭБУ

  • ЭБУ гибридной системы в сборе

Не загорается

Главная контрольная лампа аварийного состояния:

Загорается

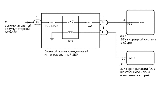
СХЕМА СОЕДИНЕНИЙ

A373444E02

ПРЕДОСТЕРЕЖЕНИЕ / ПРИМЕЧАНИЕ / УКАЗАНИЕ

Tip:

После ремонта удалите все коды DTC и убедитесь, что коды DTC не выводятся, выполнив следующую процедуру.

  1. Установите выключатель питания в состояние ON (ВКЛ) (IG) и подождите не менее 15 с.

  2. Выключите питание и подождите не менее 30 с.

ПОРЯДОК ВЫПОЛНЕНИЯ

  1. ПРОВЕРЬТЕ DTC (СИСТЕМЫ УПРАВЛЕНИЯ ГИБРИДНОЙ СИСТЕМОЙ)

    1. Подключите GTS к DLC3.

    2. Включите питание (IG).

    3. Войдите в следующие меню: Powertrain / Hybrid Control / Trouble Codes.

    4. Проверьте наличие кодов DTC.

      Powertrain > Hybrid Control > Trouble Codes

      Результат

      Перейдите к

      Выводится только P2532-772.

      Выводятся коды DTC, кроме P2532-772.

    5. Выключите зажигание.

    Выводятся коды DTC, кроме P2532-772.

    ПРОВЕРЬТЕ, НЕТ ЛИ ЭПИЗОДИЧЕСКИХ НЕИСПРАВНОСТЕЙClick here

    Выводится только P2532-772.
  2. СНИМИТЕ ПОКАЗАНИЯ GTS (ПРОВЕРКА ШИНЫ CAN)

    1. Подключите GTS к DLC3.

    2. Включите зажигание (IG).

    3. Войдите в следующие меню: System Select / CAN Bus Check.

      Проверка шины CAN

      Result

      Result

      Перейдите к

      Отображаются все ЭБУ и датчики, подключенные к системе передачи данных CAN на текущий момент времени.

      А

      Не отображается ни один из ЭБУ и датчиков, которые подключены к системе передачи данных CAN, либо отображаются лишь некоторые из них.

      B

    4. Выключите питание.

    B

    ПЕРЕЙДИТЕ К РАЗДЕЛУ "СИСТЕМА ПЕРЕДАЧИ ДАННЫХ CAN"

    Нажмите здесьClick here

    A
  3. ПРОВЕРЬТЕ ЖГУТ ПРОВОДОВ И РАЗЪЕМ (КОРОТКОЕ ЗАМЫКАНИЕ НА +B)

    1. A344712C07

      *a

      Вид сзади разъема со стороны жгута проводов

      (к ЭБУ гибридной системы в сборе)

      Отсоедините разъем A39 ЭБУ гибридной системы.

    2. Измерьте напряжение в соответствии со значениями, приведенными в таблице.

      Номинальное напряжение

      Подключение диагностического прибора

      Условие

      Заданные условия

      A39-3 (IG2) - масса

      Питание выключено

      1 В или менее

    3. Подсоедините разъем A39 ЭБУ гибридной системы.

    Результат

    Перейти к

    OK

    НЕ СООТВ.

    OK

    ЗАМЕНИТЕ ЭБУ ГИБРИДНОЙ СИСТЕМЫ В СБОРЕ

    Нажмите здесьClick hereClick hereClick here

    НЕ СООТВ.
  4. ПРОВЕРЬТЕ СИЛОВОЙ ПОЛУПРОВОДНИКОВЫЙ ИНТЕГРИРОВАННЫЙ ЭБУ (IG2)

    Нажмите здесьClick here

    Результат

    Перейти к

    OK

    НЕ СООТВ.

    НЕ СООТВ.

    ЗАМЕНИТЕ СИЛОВОЙ ПОЛУПРОВОДНИКОВЫЙ ИНТЕГРИРОВАННЫЙ ЭБУ

    Нажмите здесьClick hereClick hereClick here

    СООТВ
  5. ПРОВЕРЬТЕ ЖГУТ ПРОВОДОВ И РАЗЪЕМ (ЭБУ ГИБРИДНОЙ СИСТЕМЫ - СИЛОВОЙ ПОЛУПРОВОДНИКОВЫЙ ИНТЕГРИРОВАННЫЙ ЭБУ)

    1. Отсоедините разъем A39 ЭБУ гибридной системы.

    2. A373461

      Снимите силовой полупроводниковый интегрированный ЭБУ с блока реле и распределительного блока моторного отсека.

    3. A344712C07

      *a

      Вид сзади разъема со стороны жгута проводов

      (к ЭБУ гибридной системы в сборе)

      Измерьте напряжение в соответствии со значениями, приведенными в таблице.

      Номинальное напряжение

      Подключение диагностического прибора

      Условие

      Заданные условия

      A39-3 (IG2) - масса

      Питание выключено

      Не более 1 В

    4. Установите силовой полупроводниковый интегрированный ЭБУ.

    5. Подсоедините разъем A39 ЭБУ гибридной системы.

    Результат

    Перейти к

    OK

    НЕ СООТВ.

    NG

    ОТРЕМОНТИРУЙТЕ ИЛИ ЗАМЕНИТЕ ЖГУТ ПРОВОДОВ ИЛИ РАЗЪЕМ

    OK
  6. ПРОВЕРЬТЕ, НЕТ ЛИ ЭПИЗОДИЧЕСКИХ НЕИСПРАВНОСТЕЙ

    1. Проверьте, нет ли эпизодических неисправностей.

      Нажмите здесьClick here

      1. Проверьте подключение и давление контактов разъемов, а также жгуты проводов между ЭБУ гибридной системы и блоком реле моторного отсека и распределительным блоком.

      2. Когда питание включено (READY), подвигайте разъемы и жгуты проводов между ЭБУ гибридной системы и блоком реле и распределительным блоком моторного отсека.

    Результат

    Перейти к

    Признак неисправности не проявляется.

    Признак неисправности проявляется снова.

    Признак неисправности не проявляется.

    ЗАМЕНИТЕ ЭБУ ГИБРИДНОЙ СИСТЕМЫ В СБОРЕ

    Нажмите здесьClick hereClick hereClick here

    Признак неисправности проявляется снова.

    ОТРЕМОНТИРУЙТЕ ИЛИ ЗАМЕНИТЕ НЕИСПРАВНЫЕ ДЕТАЛИ, УЗЛЫ И СИСТЕМЫ