СИСТЕМА ПОДУШЕК БЕЗОПАСНОСТИ SRS, диагностические DTC: B1800/51, B1801/51, B1802/51 и B1803/51

Код DTC Наименование DTC
B1800/51 Короткое замыкание в цепи пиропатрона со стороны водителя
B1801/51 Обрыв в цепи пиропатрона со стороны водителя
B1802/51 Короткое замыкание на GND в цепи пиропатрона со стороны водителя
B1803/51 Короткое замыкание на B+ в цепи пиропатрона со стороны водителя

ОПИСАНИЕ

Цепь пиропатрона со стороны водителя включает в себя блок управления системы SRS в сборе, витой кабель в сборе и кнопку звукового сигнала в сборе.

Центральный блок управления системы SRS использует эту цепь для развертывания подушки безопасности, когда выполняются условия развертывания.

Данные коды DTC регистрируются при обнаружении неисправности в цепи пиропатрона со стороны водителя.

№ DTC

Неисправность

Условие обнаружения DTC

Неисправный участок

Режим диагностики / режим проверки

B1800/51

Короткое замыкание в цепи пиропатрона со стороны водителя

  • Блок управления системы SRS обнаруживает короткое замыкание в цепи пиропатрона подушки безопасности со стороны водителя в ходе выполнения первичной проверки.

  • Неисправность витого кабеля в сборе

  • Неисправность пиропатрона со стороны водителя

  • Неисправность блока управления системы SRS

  • Жгут проводов панели приборов

  • Витой кабель в сборе

  • Пиропатрон со стороны водителя (кнопка звукового сигнала в сборе)

  • Центральный блок управления системы SRS

Относится к режиму проверки

B1801/51

Обрыв в цепи пиропатрона со стороны водителя

  • Блок управления системы SRS обнаруживает обрыв в цепи пиропатрона со стороны водителя.

  • Неисправность витого кабеля в сборе

  • Неисправность пиропатрона со стороны водителя

  • Неисправность блока управления системы SRS

  • Жгут проводов панели приборов

  • Витой кабель в сборе

  • Пиропатрон со стороны водителя (кнопка звукового сигнала в сборе)

  • Центральный блок управления системы SRS

Относится к режиму проверки

B1802/51

Короткое замыкание на GND в цепи пиропатрона со стороны водителя

  • Блок управления системы SRS обнаруживает короткое замыкание на массу в цепи пиропатрона подушки безопасности со стороны водителя.

  • Неисправность витого кабеля в сборе

  • Неисправность пиропатрона со стороны водителя

  • Неисправность блока управления системы SRS

  • Жгут проводов панели приборов

  • Витой кабель в сборе

  • Пиропатрон со стороны водителя (кнопка звукового сигнала в сборе)

  • Центральный блок управления системы SRS

Относится к режиму проверки

B1803/51

Короткое замыкание на B+ в цепи пиропатрона со стороны водителя

  • Блок управления системы SRS обнаруживает короткое замыкание на B+ в цепи пиропатрона подушки безопасности со стороны водителя.

  • Неисправность витого кабеля в сборе

  • Неисправность пиропатрона со стороны водителя

  • Неисправность блока управления системы SRS

  • Жгут проводов панели приборов

  • Витой кабель в сборе

  • Пиропатрон со стороны водителя (кнопка звукового сигнала в сборе)

  • Центральный блок управления системы SRS

Относится к режиму проверки

СХЕМА ЭЛЕКТРИЧЕСКИХ СОЕДИНЕНИЙ

C345339E15

ПРЕДОСТЕРЕЖЕНИЕ / ПРИМЕЧАНИЕ / УКАЗАНИЕ

Note:

После выключения зажигания следует подождать некоторое время, прежде чем отсоединять провод от отрицательного (-) вывода вспомогательной аккумуляторной батареи. Поэтому, прежде чем приступать к этой работе, обязательно ознакомьтесь с примечанием относительно отсоединения провода от отрицательного (-) вывода вспомогательной аккумуляторной батареи.

Нажмите здесьClick hereClick here

Tip:
  • Выполните проверку с имитацией условий возникновения неисправности, выбрав на GTS режим проверки (Signal Check).

    Нажмите здесьClick here

  • Выбрав режим проверки (Signal Check), выполните проверку с имитацией условий возникновения неисправности, пошевелив каждый разъем системы подушек безопасности или совершив поездку по городским дорогам или дорогам без покрытия

    Нажмите здесьClick hereClick here

ПОРЯДОК ВЫПОЛНЕНИЯ

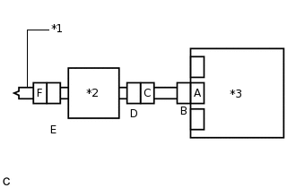
  1. ПРОВЕРЬТЕ РАЗЪЕМЫ

    1. C238331C01

      *1

      Кнопка звукового сигнала в сборе

      *2

      Витой кабель в сборе

      *3

      Блок управления системы SRS

      *4

      Жгут проводов панели приборов

      Выключите питание.

    2. Отсоедините провод от отрицательного (-) вывода вспомогательной аккумуляторной батареи.

      CAUTION:

      После отсоединения провода от отрицательного (-) вывода вспомогательной аккумуляторной батареи подождать не менее 90 с, чтобы предотвратить срабатывание системы SRS.

    3. Проверьте правильность подключения разъемов к кнопке звукового сигнала в сборе, витому кабелю в сборе и блоку управления системы SRS в сборе.

      OK

      Разъемы подсоединены должным образом.

      Tip:

      Если разъемы подсоединены ненадежно, подсоедините их и перейдите к следующей проверке.

    4. Отсоедините разъемы от кнопки звукового сигнала в сборе, витого кабеля в сборе и блока управления системы SRS в сборе.

    5. Убедитесь, что контакты разъемов не деформированы и не повреждены.

      OK

      Контакты не деформированы и не повреждены.

    6. Убедитесь, что разъем витого кабеля (со стороны кнопки звукового сигнала в сборе) не ослаблен, не деформирован и не поврежден.

      OK

      Кнопка блокировки разъема не освобождена либо защелка замка не деформирована и не повреждена.

    7. Убедитесь, что короткие пружины механизмов предотвращения срабатывания в разъеме жгута проводов панели приборов и в разъеме витого кабеля не деформированы и не повреждены.

      OK

      Короткие пружины не деформированы и не повреждены.

    Result

    Перейти к

    OK

    НЕ СООТВ.

    НЕ СООТВ.

    ЗАМЕНИТЕ ЖГУТ ПРОВОДОВ

    СООТВ
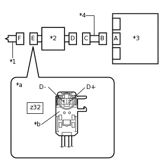
  2. ПРОВЕРЬТЕ КНОПКУ ЗВУКОВОГО СИГНАЛА В СБОРЕ

    1. C361088C07

      *1

      Кнопка звукового сигнала в сборе

      *2

      Витой кабель в сборе

      *3

      Блок управления системы SRS

      *a

      Вид спереди разъема со стороны жгута проводов:

      (к кнопке звукового сигнала в сборе)

      *b

      Цвет: Светло-зеленый

      Подсоедините жгут проводов панели приборов к блоку управления системы SRS в сборе и витому кабелю в сборе.

    2. Подсоедините специальный инструмент (сопротивление 2,1 Ом) к разъему Е (светло-зеленый разъем).

      CAUTION:

      Никогда не подключайте для измерения диагностический прибор к кнопке звукового сигнала, так как это может привести к серьезной травме вследствие срабатывания подушки безопасности.

      Note:
      • При подсоединении не следует вставлять SST в контакты разъема с усилием.

      • Вставляйте SST в контакты разъема по прямой.

    3. Подсоедините провод к отрицательному (-) выводу вспомогательной аккумуляторной батареи.

    4. Удалите коды DTC, сохраненные в памяти.

      Нажмите здесьClick here

      Body Electrical > SRS Airbag > Clear DTCs

    5. Выключите питание.

    6. Включите питание (IG) и подождите не менее 60 с.

    7. Проверьте наличие кодов DTC.

      Нажмите здесьClick here

      Body Electrical > SRS Airbag > Trouble Codes

      OK

      Код DTC B1800/51, B1801/51, B1802/51 или B1803/51 не выводится.

      Tip:

      На этом этапе могут выводиться коды, отличные от кодов DTC B1800/51, B1801/51, B1802/51 и B1803/51, однако они не связаны с данной проверкой.

    8. Выключите зажигание.

    9. Отсоедините провод от отрицательного (-) вывода вспомогательной аккумуляторной батареи.

      CAUTION:

      После отсоединения провода от отрицательного (-) вывода вспомогательной аккумуляторной батареи подождите не менее 90 с, чтобы предотвратить срабатывание системы SRS.

    10. Отсоедините SST от разъема Е.

    09843-18061

    Результат

    Перейти к

    OK

    НЕ СООТВ.

    OK

    ЗАМЕНИТЕ КНОПКУ ЗВУКОВОГО СИГНАЛА В СБОРЕ

    Нажмите здесьClick hereClick here

    NG
  3. ПРОВЕРЬТЕ ЦЕПЬ ПИРОПАТРОНА СО СТОРОНЫ ВОДИТЕЛЯ

    1. C361089C08

      *1

      Кнопка звукового сигнала в сборе

      *2

      Витой кабель в сборе

      *3

      Блок управления системы SRS

      *a

      Вид спереди разъема со стороны жгута проводов:

      (к кнопке звукового сигнала в сборе)

      *b

      Цвет: Светло-зеленый

      Отсоедините жгут проводов панели приборов от центрального блока управления системы SRS.

    2. Проверьте, нет ли в цепи короткого замыкания на B+.

      1. Подсоедините провод к отрицательному (-) выводу вспомогательной аккумуляторной батареи.

      2. Включите питание (IG).

      3. Измерьте напряжение в соответствии со значениями, приведенными в таблице.

        Номинальное напряжение

        Подключение диагностического прибора

        Условие

        Заданные условия

        z32-2 (D+) - масса

        Зажигание включено (IG)

        Менее 1 В

        z32-1 (D-) - масса

        Зажигание включено (IG)

        Менее 1 В

      4. Выключите питание.

      5. Отсоедините провод от отрицательного (-) вывода вспомогательной аккумуляторной батареи.

        CAUTION:

        После отсоединения провода от отрицательного (-) вывода вспомогательной аккумуляторной батареи подождите не менее 90 с, чтобы предотвратить срабатывание системы SRS.

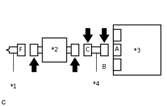
    3. Проверьте, нет ли в цепи обрыва.

      1. Измерьте сопротивление в соответствии со значениями, приведенными в таблице ниже.

        Номинальное сопротивление

        Подключение диагностического прибора

        Условие

        Заданные условия

        z32-2 (D+) - z32-1 (D-)

        Всегда

        Менее 1 Ом

    4. Проверьте, нет ли в цепи короткого замыкания на массу.

      1. Измерьте сопротивление в соответствии со значениями, приведенными в таблице.

        Номинальное сопротивление

        Подключение диагностического прибора

        Условие

        Заданные условия

        z32-2 (D+) - масса

        Всегда

        1 МОм или более

        z32-1 (D-) - масса

        Всегда

        1 МОм или более

    5. Проверьте, нет ли в цепи короткого замыкания.

      1. Разомкните механизм предотвращения срабатывания, встроенный в разъем B.

        Нажмите здесьClick hereClick here

      2. Измерьте сопротивление в соответствии со значениями, приведенными в таблице ниже.

        Номинальное сопротивление

        Подключение диагностического прибора

        Условие

        Заданные условия

        z32-2 (D+) - z32-1 (D-)

        Всегда

        1 МОм или более

      3. Верните механизм предотвращения срабатывания разъема B в исходное состояние.

    Result

    Перейти к

    OK

    НЕ СООТВ.

    НЕ СООТВ.

    ПРОВЕРЬТЕ ЖГУТ ПРОВОДОВ ПАНЕЛИ ПРИБОРОВClick here

    СООТВ
  4. ПРОВЕРЬТЕ DTC

    1. C238334C01

      *1

      Кнопка звукового сигнала в сборе

      *2

      Витой кабель в сборе

      *3

      Центральный блок управления системы SRS

      Подсоедините разъемы к кнопке звукового сигнала в сборе и центральному блоку управления системы SRS в сборе.

    2. Подсоедините провод к отрицательному (-) выводу вспомогательной аккумуляторной батареи.

    3. Удалите коды DTC, сохраненные в памяти.

      Нажмите здесьClick here

      Body Electrical > SRS Airbag > Clear DTCs

    4. Выключите питание.

    5. Включите питание (IG) и подождите не менее 60 с.

    6. Проверьте наличие кодов DTC.

      Нажмите здесьClick here

      Body Electrical > SRS Airbag > Trouble Codes

      OK

      Код DTC B1800/51, B1801/51, B1802/51 или B1803/51 не выводится.

      Tip:

      На этом этапе могут выводиться коды, отличные от кодов DTC B1800/51, B1801/51, B1802/51 и B1803/51, однако они не связаны с данной проверкой.

    Result

    Перейти к

    OK

    НЕ СООТВ.

    OK

    ВЫПОЛНИТЕ ПРОВЕРКУ С ИМИТАЦИЕЙ УСЛОВИЙ ВОЗНИКНОВЕНИЯ НЕИСПРАВНОСТИ

    Нажмите здесьClick hereClick here

    NG

    ЗАМЕНИТЕ ЦЕНТРАЛЬНЫЙ БЛОК УПРАВЛЕНИЯ СИСТЕМЫ SRS

    Нажмите здесьClick hereClick here

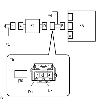
  5. ПРОВЕРЬТЕ ЖГУТ ПРОВОДОВ ПАНЕЛИ ПРИБОРОВ

    1. C238335C21

      *1

      Кнопка звукового сигнала в сборе

      *2

      Витой кабель в сборе

      *3

      Блок управления системы SRS

      *4

      Жгут проводов панели приборов

      *a

      Вид спереди разъема со стороны жгута проводов:

      (к витому кабелю в сборе)

      Отсоедините жгут проводов панели приборов от витого кабеля.

    2. Проверьте, нет ли в цепи короткого замыкания на B+.

      1. Подсоедините провод к отрицательному (-) выводу вспомогательной аккумуляторной батареи.

      2. Включите питание (IG).

      3. Измерьте напряжение в соответствии со значениями, приведенными в таблице.

        Номинальное напряжение

        Подключение диагностического прибора

        Условие

        Заданные условия

        J30-1 (D+) - масса

        Питание включено (IG)

        Менее 1 В

        J30-2 (D-) - масса

        Питание включено (IG)

        Менее 1 В

      4. Выключите питание.

      5. Отсоедините провод от отрицательного (-) вывода вспомогательной аккумуляторной батареи.

        CAUTION:

        После отсоединения провода от отрицательного (-) вывода вспомогательной аккумуляторной батареи подождите не менее 90 с, чтобы предотвратить срабатывание системы SRS.

    3. Проверьте, нет ли в цепи обрыва.

      1. Измерьте сопротивление в соответствии со значениями, приведенными в таблице ниже.

        Номинальное сопротивление

        Подключение диагностического прибора

        Условие

        Заданные условия

        J30-1 (D+) - J30-2 (D-)

        Всегда

        Менее 1 Ом

    4. Проверьте, нет ли в цепи короткого замыкания на массу.

      1. Измерьте сопротивление в соответствии со значениями, приведенными в таблице.

        Номинальное сопротивление

        Подключение диагностического прибора

        Условие

        Заданные условия

        J30-1 (D+) - масса

        Всегда

        1 МОм или более

        J30-2 (D-) - масса

        Всегда

        1 МОм или более

    5. Проверьте, нет ли в цепи короткого замыкания.

      1. Разомкните механизм предотвращения срабатывания, встроенный в разъем B.

        Нажмите здесьClick hereClick here

      2. Измерьте сопротивление в соответствии со значениями, приведенными в таблице ниже.

        Номинальное сопротивление

        Подключение диагностического прибора

        Условие

        Заданные условия

        J30-1 (D+) - J30-2 (D-)

        Всегда

        1 МОм или более

      3. Верните механизм предотвращения срабатывания разъема B в исходное состояние.

    Result

    Перейти к

    OK

    НЕ СООТВ.

    НЕ СООТВ.

    ЗАМЕНИТЕ ЖГУТ ПРОВОДОВ ПАНЕЛИ ПРИБОРОВ

    СООТВ
  6. ПРОВЕРЬТЕ ВИТОЙ КАБЕЛЬ В СБОРЕ

    1. C361090C08

      *1

      Кнопка звукового сигнала в сборе

      *2

      Витой кабель в сборе

      *3

      Блок управления системы SRS

      *4

      Жгут проводов панели приборов

      *a

      Вид спереди разъема со стороны жгута проводов:

      (к кнопке звукового сигнала в сборе)

      *b

      Цвет: Светло-зеленый

      Проверьте, нет ли в цепи короткого замыкания на B+.

      1. Подсоедините провод к отрицательному (-) выводу вспомогательной аккумуляторной батареи.

      2. Включите питание (IG).

      3. Измерьте напряжение в соответствии со значениями, приведенными в таблице.

        Номинальное напряжение

        Подключение диагностического прибора

        Условие

        Заданные условия

        z32-2 (D+) - масса

        Зажигание включено (IG)

        Менее 1 В

        z32-1 (D-) - масса

        Зажигание включено (IG)

        Менее 1 В

      4. Выключите питание.

      5. Отсоедините провод от отрицательного (-) вывода вспомогательной аккумуляторной батареи.

        CAUTION:

        После отсоединения провода от отрицательного (-) вывода вспомогательной аккумуляторной батареи подождите не менее 90 с, чтобы предотвратить срабатывание системы SRS.

    2. Проверьте, нет ли в цепи обрыва.

      1. Измерьте сопротивление в соответствии со значениями, приведенными в таблице ниже.

        Номинальное сопротивление

        Подключение диагностического прибора

        Условие

        Заданные условия

        z32-2 (D+) - z32-1 (D-)

        Всегда

        Менее 1 Ом

    3. Проверьте, нет ли в цепи короткого замыкания на массу.

      1. Измерьте сопротивление в соответствии со значениями, приведенными в таблице.

        Номинальное сопротивление

        Подключение диагностического прибора

        Условие

        Заданные условия

        z32-2 (D+) - масса

        Всегда

        1 МОм или более

        z32-1 (D-) - масса

        Всегда

        1 МОм или более

    4. Проверьте, нет ли в цепи короткого замыкания.

      1. Разомкните механизм предотвращения срабатывания, встроенный в разъем D.

        Нажмите здесьClick hereClick here

      2. Измерьте сопротивление в соответствии со значениями, приведенными в таблице ниже.

        Номинальное сопротивление

        Подключение диагностического прибора

        Условие

        Заданные условия

        z32-2 (D+) - z32-1 (D-)

        Всегда

        1 МОм или более

      3. Верните механизм предотвращения срабатывания разъема D в исходное состояние.

    Result

    Перейти к

    OK

    НЕ СООТВ.

    OK

    ВЫПОЛНИТЕ ПРОВЕРКУ С ИМИТАЦИЕЙ УСЛОВИЙ ВОЗНИКНОВЕНИЯ НЕИСПРАВНОСТИ

    Нажмите здесьClick hereClick here

    NG

    ЗАМЕНИТЕ ВИТОЙ КАБЕЛЬ В СБОРЕ

    Нажмите здесьClick here