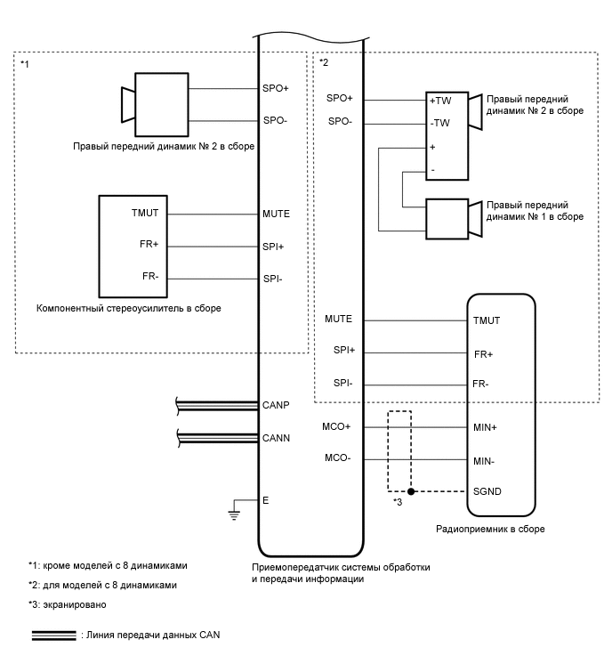
СИСТЕМА ОБРАБОТКИ И ПЕРЕДАЧИ ИНФОРМАЦИИ (для моделей с приемопередатчиком системы обработки и передачи информации кроме моделей с системой G-BOOK) СХЕМА СИСТЕМЫ

E356036E01
E356028E03