WIRELESS DOOR LOCK CONTROL SYSTEM(w/o Smart Entry and Start System) Only Wireless Control Function is Inoperative

DESCRIPTION

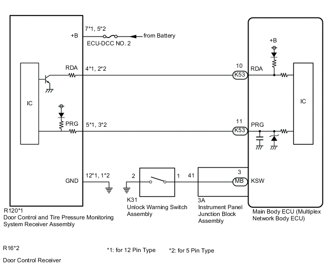
The door control receiver receives signals from the door control transmitter module set sub-assembly and sends these signals to the main body ECU (multiplex network body ECU). The main body ECU (multiplex network body ECU) then controls all doors by sending lock/unlock signals to each door, and sends hazard flasher signals to the combination meter assembly.

WIRING DIAGRAM

B0088ACE04

CAUTION / NOTICE / HINT

Note


  • Inspect the fuses for circuits related to this system before performing the following procedure.

  • When replacing or inspecting the door control receiver and wire harness, do not change the position or length of the wire harness. If the wire harness is too close to the door control receiver, wireless function performance may be affected.

  • When replacing the door control and tire pressure monitoring system receiver assembly, read the transmitter IDs (tire pressure warning system) stored in the old ECU using the GTS and write them down before removal.*

    Click here


    • *: for 12 Pin Type

  • If the door control and tire pressure monitoring system receiver assembly has been replaced, it is necessary to perform initialization (Click here) after registration Click here of the transmitter IDs to the door control and tire pressure monitoring system receiver assembly.*


    • *: for 12 Pin Type

  • The vehicle battery supplies power to the main body ECU (multiplex network body ECU) via the door control battery. Therefore, before performing this troubleshooting procedure, make sure to perform an on-vehicle inspection to confirm that the main body ECU (multiplex network body ECU) power source circuit is normal.*

    Click here


    • *: w/ Door Control Battery

PROCEDURE


  1. CHECK POWER DOOR LOCK OPERATION


    1. Check the power door lock operation.

      Click here

      OK
      Locked doors unlock.
      Result
      Proceed to
      OK
      NG

    NG
    OK
  2. CHECK KEY REMINDER WARNING SYSTEM


    1. Check that the key reminder warning buzzer operates properly.

      Click here

      OK
      Key reminder warning buzzer operates properly.
      Result
      Proceed to
      OK
      NG

    NG
    OK
  3. CHECK DOOR CONTROL TRANSMITTER MODULE SET SUB-ASSEMBLY


    1. When a known good registered door control transmitter module set sub-assembly is used, check that the wireless functions operate properly.

      Result
      Result Proceed to
      Wireless door lock/unlock function operates properly with a known good door control transmitter module set sub-assembly A
      Wireless door lock/unlock function does not operate B

    B
    A
  4. CHECK TRANSMITTER BATTERY (VOLTAGE)


    1. Inspect the transmitter battery capacity.

      Click here

      Result
      Proceed to
      OK
      NG

    OK
    NG
  5. CHECK WAVE ENVIRONMENT


    1. Bring the door control transmitter module set sub-assembly near the door control receiver, and perform wireless operation check.

      Tech Tips


      • When the door control transmitter module set assembly is brought near the door control receiver, the possibility of wave interference decreases, and it can be determined if wave interference is causing the problem symptom.

      • If the inspection result is that the problem only occurs in certain locations or times of day, the possibility of wave interference is high. Also, added vehicle components may cause wave interference. If installed, remove them and perform the operation check.

      OK
      Wireless functions operate properly.
      Result
      Proceed to
      OK
      NG

    OK
    NG
  6. CHECK SELF-DIAGNOSTIC MODE


    1. Switch to self-diagnostic mode.

      Click here

    2. Check self-diagnostic mode.

      Click here

      Result
      Result Proceed to
      Normal pattern (wireless door lock buzzer output pattern) is output A
      Unmatching recognition code is output B
      No diagnostic output C

    A
    C
    B
  7. CHECK REGISTER RECOGNITION CODE


    1. Check that the system can be switched to rewrite mode or add mode, and that a recognition code can be registered.

      Click here

      OK
      Recognition code can be registered.
      Result
      Proceed to
      OK
      NG

    OK
    NG
  8. CHECK DOOR CONTROL RECEIVER (RESPONSE)


    1. Prepare a door control transmitter module set sub-assembly from another vehicle.

    2. Press and hold a door control transmitter module set sub-assembly switch.

    3. Check that an unmatching recognition code is output.

      OK
      Unmatching recognition code is output.
      Result
      Proceed to
      OK
      NG

    OK
    NG
  9. CHECK HARNESS AND CONNECTOR (POWER SOURCE AND BODY GROUND)


    1. B00882IC31
      *A for 12 Pin Type
      *B for 5 Pin Type
      *a

      Front view of wire harness connector

      (to Door Control Receiver)

      Disconnect the R120*1 or R16*2 door control receiver connector.


      • *1: for 12 Pin Type

      • *2: for 5 Pin Type

    2. Measure the resistance according to the value(s) in the table below.

      Standard Resistance
      Tester Connection Condition Specified Condition
      R120-12 (GND) - Body ground*1 Always Below 1 Ω
      R16-1 (GND) - Body ground*2 Always Below 1 Ω

      • *1: for 12 Pin Type

      • *2: for 5 Pin Type

    3. Measure the voltage according to the value(s) in the table below.

      Standard Voltage
      Tester Connection Condition Specified Condition
      R120-7 (+B) - Body ground*1 Always 11 to 14 V
      R16-5 (+B) - Body ground*2 Always 11 to 14 V

      • *1: for 12 Pin Type

      • *2: for 5 Pin Type

      Result
      Proceed to
      OK
      NG

    NG
    OK
  10. CHECK DOOR CONTROL RECEIVER (OUTPUT)


    1. Reconnect the R120*1 or R16*2 door control receiver connector.


      • *1: for 12 Pin Type

      • *2: for 5 Pin Type

    2. B0086MAC07
      *A for 12 Pin Type
      *B for 5 Pin Type
      *a

      Component with harness connected

      (Door Control Receiver)

      Measure the voltage according to the value(s) in the table below.

      Standard Voltage
      Tester Connection Condition Specified Condition
      R120-4 (RDA) - Body ground*1

        Procedure:

      1. Remove key from ignition key cylinder

      2. Close all doors

      3. Press lock or unlock switch of door control transmitter module set sub-assembly

      11 to 14 V → pulse generation
      R16-2 (RDA) - Body ground*2

      • *1: for 12 Pin Type

      • *2: for 5 Pin Type

      Result
      Result Proceed to
      OK A
      NG (for 12 Pin Type) B
      NG (for 5 Pin Type) C

    B
    C
    A
  11. CHECK HARNESS AND CONNECTOR (MAIN BODY ECU (MULTIPLEX NETWORK BODY ECU) - DOOR CONTROL RECEIVER)


    1. Disconnect the K53 main body ECU (multiplex network body ECU) connector.

    2. Disconnect the R120*1 or R16*2 door control receiver connector.


      • *1: for 12 Pin Type

      • *2: for 5 Pin Type

    3. Measure the resistance according to the value(s) in the table below.

      Standard Resistance
      Tester Connection Condition Specified Condition
      R120-4 (RDA) - K53-10 (RDA)*1 Always Below 1 Ω
      R16-2 (RDA) - K53-10 (RDA)*2 Always Below 1 Ω
      R120-5 (PRG) - K53-11 (PRG)*1 Always Below 1 Ω
      R16-3 (PRG) - K53-11 (PRG)*2 Always Below 1 Ω
      R120-4 (RDA) or K53-10 (RDA) - Other terminals and body ground*1 Always 10 kΩ or higher
      R16-2 (RDA) or K53-10 (RDA) - Other terminals and body ground*2 Always 10 kΩ or higher
      R120-5 (PRG) or K53-11 (PRG) - Other terminals and body ground*1 Always 10 kΩ or higher
      R16-3 (PRG) or K53-11 (PRG) - Other terminals and body ground*2 Always 10 kΩ or higher

      • *1: for 12 Pin Type

      • *2: for 5 Pin Type

      Result
      Proceed to
      OK
      NG

    NG
    OK
  12. REPLACE DOOR CONTROL RECEIVER


    1. Temporarily replace the door control receiver with a new or known good one.

      Click here

      Result
      Proceed to
      NEXT

    NEXT
  13. REGISTER RECOGNITION CODE


    1. Perform the Registration procedure.

      Click here

      Result
      Proceed to
      NEXT

    NEXT
  14. CHECK DOOR CONTROL RECEIVER (OPERATION)


    1. Check that the doors can be locked and unlocked by the door control transmitter module set sub-assembly lock and unlock switches.

      OK
      Doors can be locked and unlocked by the door control transmitter module set sub-assembly.
      Result
      Proceed to
      OK
      NG

    OK
    NG