AIRBAG SYSTEM, Diagnostic DTC:B1617/84, B1618/84

DTC Code DTC Name
B1617/84 Lost Communication with Front Airbag Sensor LH
B1618/84 Front Airbag Sensor LH Initialization Incomplete

DESCRIPTION

The front airbag sensor LH circuit consists of the airbag ECU assembly and front airbag sensor LH.

The front airbag sensor LH detects impacts to the vehicle and sends signals to the airbag ECU assembly to determine if the airbag should be deployed.

These DTCs are stored when a malfunction is detected in the front airbag sensor LH circuit.

DTC No. DTC Detection Condition Trouble Area

B1617/84

B1618/84


  • The airbag ECU assembly receives a line short circuit signal, an open circuit signal, a short circuit to ground signal or a short circuit to B+ signal in the front airbag sensor LH circuit.

  • Front airbag sensor LH malfunction

  • Airbag ECU assembly malfunction


  • Instrument panel wire

  • Engine room main wire

  • Front airbag sensor LH

  • Airbag ECU assembly

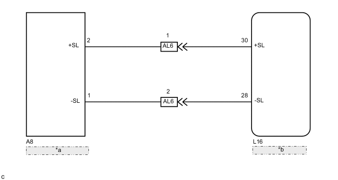
WIRING DIAGRAM

B005YAFE02
*a Front Airbag Sensor LH
*b Airbag ECU Assembly

CAUTION / NOTICE / HINT

Note

After turning the power switch off, waiting time may be required before disconnecting the cable from the negative (-) auxiliary battery terminal. Therefore, make sure to read the disconnecting the cable from the negative (-) auxiliary battery terminal notices before proceeding with work Click here.

PROCEDURE


  1. CHECK CONNECTORS


    1. Turn the power switch off.

    2. Disconnect the cable from the negative (-) auxiliary battery terminal.

      CAUTION:

      Wait at least 90 seconds after disconnecting the cable from the negative (-) auxiliary battery terminal to disable the SRS system.

    3. Check that the connectors are properly connected to the airbag ECU assembly and front airbag sensor LH. Also check that the connectors that link the engine room main wire and instrument panel wire are properly connected.

      OK
      The connectors are properly connected.

      Tech Tips

      If the connectors are not connected securely, reconnect the connectors and proceed to the next inspection.

    4. Disconnect the connectors from the airbag ECU assembly and front airbag sensor LH. Also disconnect the connectors that link the engine room main wire and instrument panel wire.

    5. Check that the terminals of the connectors are not damaged.

      OK
      The terminals are not deformed or damaged.

    NG
    OK
  2. CHECK FRONT AIRBAG SENSOR LH CIRCUIT (OPEN)


    1. B005ZU9E01
      Text in Illustration
      *1 Front Airbag Sensor LH
      *2 Airbag ECU Assembly
      *3 Service Wire
      *a

      Front view of wire harness connector

      (to Airbag ECU Assembly)

      *b

      Front view of wire harness connector

      (to Front Airbag Sensor LH)

      Connect the connectors that link the engine room main wire and instrument panel wire.

    2. Using a service wire, connect terminals 30 (+SL) and 28 (-SL) of connector B.

      Note

      Do not forcibly insert the service wire into the terminals of the connector when connecting the wire.

    3. Measure the resistance according to the value(s) in the table below.

      Standard Resistance
      Tester Connection Condition Specified Condition
      A8-2 (+SL) - A8-1 (-SL) Always Below 1 Ω

    NG
    OK
  3. CHECK FRONT AIRBAG SENSOR LH CIRCUIT (SHORT)


    1. B005YI8E01
      Text in Illustration
      *1 Front Airbag Sensor LH
      *2 Airbag ECU Assembly
      *a

      Front view of wire harness connector

      (to Front Airbag Sensor LH)

      Disconnect the service wire from connector B.

    2. Measure the resistance according to the value(s) in the table below.

      Standard Resistance
      Tester Connection Condition Specified Condition
      A8-2 (+SL) - A8-1 (-SL) Always 1 MΩ or higher

    NG
    OK
  4. CHECK FRONT AIRBAG SENSOR LH CIRCUIT (SHORT TO B+)


    1. B005YI8E01
      Text in Illustration
      *1 Front Airbag Sensor LH
      *2 Airbag ECU Assembly
      *a

      Front view of wire harness connector

      (to Front Airbag Sensor LH)

      Connect the cable to the negative (-) auxiliary battery terminal.

    2. Turn the power switch on (IG).

    3. Measure the voltage according to the value(s) in the table below.

      Standard Voltage
      Tester Connection Condition Specified Condition
      A8-2 (+SL) - Body ground Power switch on (IG) Below 1 V
      A8-1 (-SL) - Body ground Power switch on (IG) Below 1 V
    4. Turn the power switch off.

    5. Disconnect the cable from the negative (-) auxiliary battery terminal.

      CAUTION:

      Wait at least 90 seconds after disconnecting the cable from the negative (-) auxiliary battery terminal to disable the SRS system.


    NG
    OK
  5. CHECK FRONT AIRBAG SENSOR LH CIRCUIT (SHORT TO GROUND)


    1. B005YI8E01
      Text in Illustration
      *1 Front Airbag Sensor LH
      *2 Airbag ECU Assembly
      *a

      Front view of wire harness connector

      (to Front Airbag Sensor LH)

      Measure the resistance according to the value(s) in the table below.

      Standard Resistance
      Tester Connection Condition Specified Condition
      A8-2 (+SL) - Body ground Always 1 MΩ or higher
      A8-1 (-SL) - Body ground Always 1 MΩ or higher

    NG
    OK
  6. CHECK FRONT AIRBAG SENSOR LH


    1. B005XCXE01
      Text in Illustration
      *1 Front Airbag Sensor RH
      *2 Airbag ECU Assembly

      Connect the connector to the airbag ECU assembly.

    2. Interchange the front airbag sensor LH with RH and connect the connectors.

    3. Connect the cable to the negative (-) auxiliary battery terminal.

    4. Clear the DTCs stored in memory Click here.

    5. Turn the power switch off.

    6. Turn the power switch on (IG), and wait for at least 60 seconds.

    7. Check for DTCs Click here.

      Result
      Result Proceed to
      DTCs B1612/83, B1613/83, B1617/84 and B1618/84 are not output. A
      DTC B1617/84 or B1618/84 is output. B
      DTC B1612/83 or B1613/83 is output. C

      Tech Tips

      Codes other than DTCs B1612/83, B1613/83, B1617/84 and B1618/84, may be output at this time, but they are not related to this check.

    8. Turn the power switch off.

    9. Disconnect the cable from the negative (-) auxiliary battery terminal.

      CAUTION:

      Wait at least 90 seconds after disconnecting the cable from the negative (-) auxiliary battery terminal to disable the SRS system.

    10. Return the front airbag sensor LH and RH to their original positions and connect the connectors.


    A
    B
    C
  7. CHECK INSTRUMENT PANEL WIRE (OPEN)


    1. B005Y0QE02
      Text in Illustration
      *1 Front Airbag Sensor LH
      *2 Airbag ECU Assembly
      *3 Engine Room Main Wire
      *4 Instrument Panel Wire
      *5 Service Wire
      *a

      Front view of wire harness connector

      (to Airbag ECU Assembly)

      *b

      Front view of wire harness connector

      (to Engine Room Main Wire)

      Disconnect the instrument panel wire connector from the engine room main wire.

      Tech Tips

      The service wire has already been inserted into connector B.

    2. Measure the resistance according to the value(s) in the table below.

      Standard Resistance
      Tester Connection Condition Specified Condition
      AL6-1 (+SL) - AL6-2 (-SL) Always Below 1 Ω
    3. Disconnect the service wire from connector B.


    OK
    NG
  8. CHECK INSTRUMENT PANEL WIRE (SHORT)


    1. B005YUIE01
      Text in Illustration
      *1 Front Airbag Sensor LH
      *2 Airbag ECU Assembly
      *3 Engine Room Main Wire
      *4 Instrument Panel Wire
      *a

      Front view of wire harness connector

      (to Engine Room Main Wire)

      Disconnect the instrument panel wire connector from the engine room main wire.

    2. Measure the resistance according to the value(s) in the table below.

      Standard Resistance
      Tester Connection Condition Specified Condition
      AL6-1 (+SL) - AL6-2 (-SL) Always 1 MΩ or higher

    OK
    NG
  9. CHECK INSTRUMENT PANEL WIRE (SHORT TO B+)


    1. B005YUIE01
      Text in Illustration
      *1 Front Airbag Sensor LH
      *2 Airbag ECU Assembly
      *3 Engine Room Main Wire
      *4 Instrument Panel Wire
      *a

      Front view of wire harness connector

      (to Engine Room Main Wire)

      Disconnect the instrument panel wire connector from the engine room main wire.

    2. Connect the cable to the negative (-) auxiliary battery terminal.

    3. Turn the power switch on (IG).

    4. Measure the voltage according to the value(s) in the table below.

      Standard Voltage
      Tester Connection Condition Specified Condition
      AL6-1 (+SL) - Body ground Power switch on (IG) Below 1 V
      AL6-2 (-SL) - Body ground Power switch on (IG) Below 1 V

    OK
    NG
  10. CHECK INSTRUMENT PANEL WIRE (SHORT TO GROUND)


    1. B005YUIE01
      Text in Illustration
      *1 Front Airbag Sensor LH
      *2 Airbag ECU Assembly
      *3 Engine Room Main Wire
      *4 Instrument Panel Wire
      *a

      Front view of wire harness connector

      (to Engine Room Main Wire)

      Disconnect the instrument panel wire connector from the engine room main wire.

    2. Measure the resistance according to the value(s) in the table below.

      Standard Resistance
      Tester Connection Condition Specified Condition
      AL6-1 (+SL) - Body ground Always 1 MΩ or higher
      AL6-2 (-SL) - Body ground Always 1 MΩ or higher

    OK
    NG