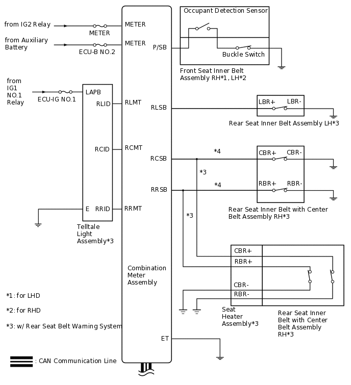
SEAT BELT WARNING SYSTEM(w/o Occupant Classification System) SYSTEM DIAGRAM

C351217E01
C279305E03
Table 1. Communication Table

Sender

Receiver

Signal

Line

Main Body ECU (Multiplex Network Body ECU)

Combination Meter Assembly

Driver side buckle switch signal

CAN

Main Body ECU (Multiplex Network Body ECU)

Combination Meter Assembly

Rear door courtesy light switch signal

Main Body ECU (Multiplex Network Body ECU)

Combination Meter Assembly

Parking brake switch signal

Hybrid Vehicle Control ECU

Combination Meter Assembly

Shift position signal

Brake Booster with Master Cylinder Assembly (Skid Control ECU)

Combination Meter Assembly

Vehicle speed signal