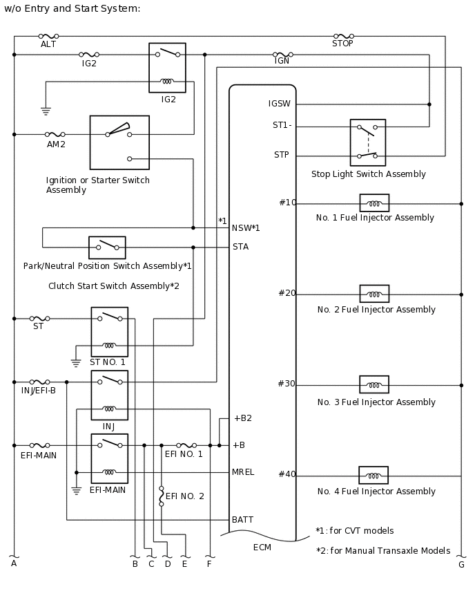
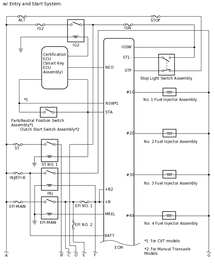
SFI SYSTEM SYSTEM DIAGRAM

A295296E01
A295297E01
A295298E01
A295299E01
A359671E01