AIR CONDITIONING SYSTEM


  1. CONSTRUCTION


    1. An air conditioning unit that is compatible with left and right independent temperature control is used.

    2. A Beneficial Refrigerant Stream (BRS) type evaporator is used.

    3. On models with stop and start system, a cold storage evaporator is used.

    4. A Straight Flow Aluminum-II (SFA-II) heater core that is compact and offers advanced performance is used.

    5. A pollen and odor-removing type clean air filter (air refiner element) is provided as standard equipment.

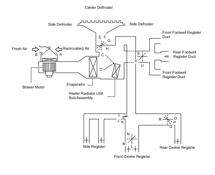
      Figure 1. Air Conditioning Unit Layout Parts Location

      A01R7U6C01
      *1 Air Conditioning Unit Assembly - -

      Figure 2. Duct Layout Parts Location

      A01R8BWC01
      *1 Center Register Duct *2 Front Defroster Duct
      *3 Driver Side Defroster Duct *4 Driver Side Register Duct
      *5 Driver Side Footwell Register Duct *6 Driver Side Rear Footwell Register Duct
      *7 Console Rear Face Register Duct *8 Front Passenger Side Rear Footwell Register Duct
      *9 Front Passenger Side Footwell Register Duct *10 Front Passenger Side Register Duct
      *11 Front Passenger Side Defroster Duct - -
  2. OPERATION


    1. Air Outlets and Airflow Volume (for All Seat Control Modes)

      A01R7Z7
      MODE A B C D E F
      Center Register Side Register Front Footwell Defroster Console Rear Face Register Rear Footwell
      A01R7P6 FACE A01R8JD A01R8JD - - A01R8JD -
      A01R8C5 BI-LEVEL A01R8IF A01R8IF A01R8IF - A01R8IF A01R8IF
      A01R7PV FOOT - A01R86Z A01R8JD A01R86Z A01R86Z A01R8IF
      A01R8G8 FOOT/DEF - A01R86Z A01R8IF A01R8JD A01R86Z A01R8IF
      A01R7TD DEF - A01R86Z - A01R8JD - -
    2. Air Outlets and Airflow Volume (for Front Seat Control Modes)

      A01R7OV
      MODE A B C D E F
      Center Register Side Register Front Footwell Defroster Console Rear Face Register Rear Footwell
      A01R7P6 FACE A01R8JD A01R8JD - - - -
      A01R8C5 BI-LEVEL A01R8IF A01R8IF A01R8IF - - -
      A01R7PV FOOT - A01R86Z A01R8JD A01R86Z - -
      A01R8G8 FOOT/DEF - A01R86Z A01R8IF A01R8JD - -
    3. Mode Position and Door Operation

      A01R89ME02
      Control Door Operation Position Door Position Operation
      Air Inlet Control Door FRESH A Brings in fresh air.
      RECIRCULATION B Recirculates internal air.
      Air Mix Control Door

      MAX COLD to MAX HOT

      Temperature Setting

      C - D Varies the mixture ratio of warm air and cool airin order to regulate the temperature continuously between hot and cold.
      Partial Recirculated Door

      Blower Hi to Blower Lo

      High speed to Low speed in vehicle

      E - F Add function in order to warm quickly.
      Mode Control Door FACE H, I, L, O, U Air blows out of the front center register, rearcenter register and side register ducts.
      BI-LEVEL H, J, M, P, T Air blows out of the front and rear center register, side register and front and rear footwell register ducts.
      FOOT G, K, N, Q, S Air blows out of the footwell register and side register ducts. In addition, air blows out slightly from the center defroster and side defroster.
      FOOT AND DEFROSTER F, K, N, Q, S Defrosts the windshield through the center defroster, side defroster, quarter defroster, side register and rear center register ducts, while air is also blown out from the front and rear footwell register ducts.
      DEFROSTER E, K, N, R, U Defrosts the windshield through the center defroster, side defroster, quarter defroster and side register ducts.