ENTRY AND START SYSTEM(for Start Function) SYSTEM DIAGRAM

B0025K6E02
B0025K6E03
B002839E04
*a No. 1 Indoor Electrical Key Antenna Assembly (Front Floor)
*b No. 2 Indoor Electrical Key Antenna Assembly (Rear Floor)
*c Certification ECU (Smart Key ECU Assembly)
B0024IKE01
B0028KTE03
B00262LE03
B0028MZE01
Component Outline

Engine switch


  • Transponder key amplifier


  • Turns on the power and starts the engine.

  • Contains a built-in transponder key amplifier to start the engine when the electrical key transmitter sub-assembly does not operate properly due to a depleted battery or wave interference.

Certification ECU (smart key ECU assembly)
  • Changes the power source mode by operating the ACC and IG relays.

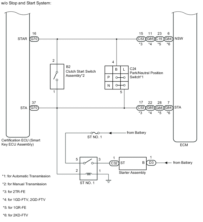
  • Controls starting by operating the starter relay.

  • Performs key verification.

  • Controls the No. 1 indoor electrical key antenna assembly (front floor) and No. 2 indoor electrical key antenna assembly (rear floor).

  • Outputs entry door lock/unlock commands.

  • Outputs steering lock ECU (steering lock actuator assembly) lock/unlock command signals.

  • Outputs immobiliser set/unset commands.

  • Forms the entry detection area.

  • Records codes for entry verification.*2

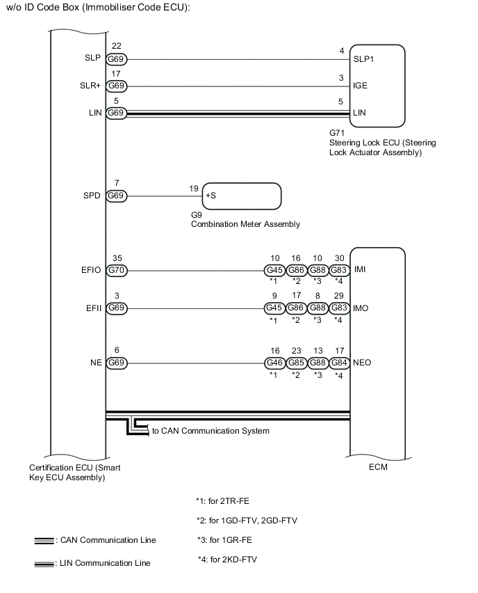
ID code box (immobiliser code ECU)*1
  • Receives command signals from the certification ECU (smart key ECU assembly) and outputs immobiliser set and unset command signals to the ECM.

  • Records codes for entry verification.

ECM
  • Outputs a signal indicating that the engine has started to the certification ECU (smart key ECU assembly) when starting the engine.

Steering lock ECU (steering lock actuator assembly)
  • Receives command signals from the certification ECU (smart key ECU assembly) and activates the steering lock actuator assembly.

  • Records codes for entry verification.

Combination meter assembly
  • Operates various warnings (messages on the multi-information display) according to the command signals from the certification ECU (smart key ECU assembly).

  • Displays information or operates LED when the entry and start system has a malfunction.

  • Outputs a vehicle speed signal to the certification ECU (smart key ECU assembly).

IG, ACC relay Turns on/off according to the certification ECU (smart key ECU assembly) and provides power to each system.
Stop light switch assembly*3 Detects that the brake pedal has been depressed (switch is on) and outputs a signal to the certification ECU (smart key ECU assembly).
Clutch start switch assembly*4 Detects that the clutch pedal has been depressed (switch is on) and outputs a signal to the certification ECU (smart key ECU assembly).
Park/neutral position switch*3 Outputs the shift position to the certification ECU (smart key ECU assembly).
Shift lock control ECU (transmission floor shift assembly)*3 Outputs a shift lock control ECU signal to the certification ECU (smart key ECU assembly).

No. 1 indoor electrical key antenna assembly (front floor)

No. 2 indoor electrical key antenna assembly (rear floor)

Sends the request code from the certification ECU (smart key ECU assembly) and forms the vehicle interior detection area.
Door control receiver Receives the entry and start system code/wireless code sent from the electrical key transmitter sub-assembly and sends it to the certification ECU (smart key ECU assembly).
Electrical key transmitter sub-assembly Sends the ID code upon receiving a request signal.