CHARGING SYSTEM, Diagnostic DTC:P1602

DTC Code DTC Name
P1602 Deterioration of Battery

DESCRIPTION

The power management control ECU monitors the battery. When the engine is running (not cranking) and the battery voltage drops below a specified level, the ECU determines that there is battery deterioration and stores this DTC.

DTC Code

DTC Detection Condition

Trouble Area

P1602

Battery capacity is abnormally low for 10 seconds or more when the engine is running (not cranking) (1 trip detection logic).

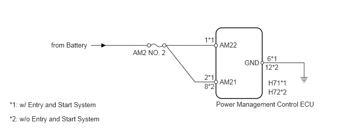
  • Battery

  • Harness or connector

  • AM2 NO. 2 fuse

WIRING DIAGRAM

A216153E02

PROCEDURE

  1. CHECK FOR DTC

    1. Connect the GTS to the DLC3.

    2. Turn the ignition switch to ON.

    3. Turn the GTS on.

    4. Check for DTCs (Click here).

      Table 1. Result

      Result

      Proceed to

      Only DTC P1602 is output.

      A

      Other DTCs are output in addition to DTC P1602.

      B

    GO TO DIAGNOSTIC TROUBLE CODE CHART

  2. CHECK CHARGING SYSTEM

    1. Check the charging system (Click here).

      Table 2. Result

      Result

      Proceed to

      OK

      w/ Entry and Start System

      A

      w/o Entry and Start System

      B

      NG

      C

    CHECK HARNESS AND CONNECTOR (POWER SOURCE CIRCUIT)Click here

    REPAIR OR REPLACE CHARGING SYSTEM

  3. CHECK HARNESS AND CONNECTOR (POWER SOURCE CIRCUIT)

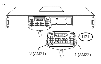
    1. U121415E02

      Disconnect the H71 power management control ECU connector.

    2. Measure the voltage according to the value(s) in the table below.

      Standard Voltage

      Tester Connection

      Condition

      Specified Condition

      H71-2 (AM21) - Body ground

      Always

      11 to 14 V

      H71-1 (AM22) - Body ground

      Table 3. Text in Illustration

      *1

      Rear view of wire harness connector

      (to Power Management Control ECU)

    REPAIR OR REPLACE HARNESS OR CONNECTOR

  4. CHECK HARNESS AND CONNECTOR (GROUND CIRCUIT)

    1. Measure the resistance according to the value(s) in the table below.

      Standard Resistance

      Tester Connection

      Condition

      Specified Condition

      H71-6 (GND) - Body ground

      Always

      Below 1 Ω

    USE SIMULATION METHOD TO CHECK

    REPAIR OR REPLACE HARNESS OR CONNECTOR

  5. CHECK HARNESS AND CONNECTOR (POWER SOURCE CIRCUIT)

    1. A390674E01

      Disconnect the H72 power management control ECU connector.

    2. Measure the voltage according to the value(s) in the table below.

      Standard Voltage

      Tester Connection

      Condition

      Specified Condition

      H72-8 (AM21) - Body ground

      Always

      11 to 14 V

      Table 4. Text in Illustration

      *1

      Rear view of wire harness connector

      (to Power Management Control ECU)

    REPAIR OR REPLACE HARNESS OR CONNECTOR

  6. CHECK HARNESS AND CONNECTOR (GROUND CIRCUIT)

    1. Measure the resistance according to the value(s) in the table below.

      Standard Resistance

      Tester Connection

      Condition

      Specified Condition

      H72-12 (GND) - Body ground

      Always

      Below 1 Ω

    USE SIMULATION METHOD TO CHECK

    REPAIR OR REPLACE HARNESS OR CONNECTOR