СИСТЕМА ПОДОГРЕВА РУЛЕВОГО КОЛЕСА СХЕМА СИСТЕМЫ
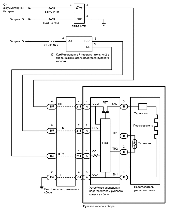
СХЕМА СИСТЕМЫ (для моделей без системы вибрации рулевого колеса)
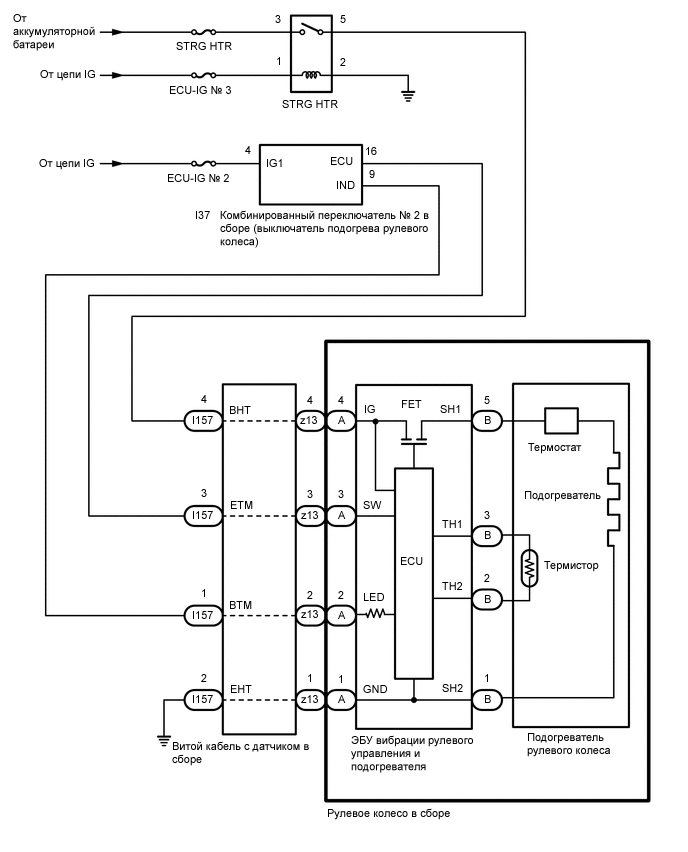
СХЕМА СИСТЕМЫ (для моделей с системой вибрации рулевого колеса)
СХЕМА СИСТЕМЫ (для моделей без системы вибрации рулевого колеса)
СХЕМА СИСТЕМЫ (для моделей с системой вибрации рулевого колеса)