POWER DOOR LOCK CONTROL SYSTEM SYSTEM DIAGRAM

  1. Power Door Lock Control System

    B336418E16
    B336418E17
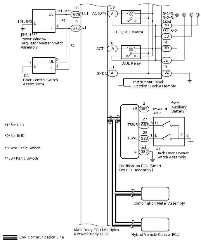
    B461179E03
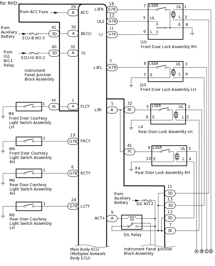
    B438298E05
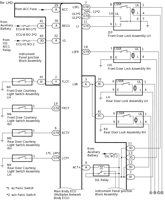
    B461015E03
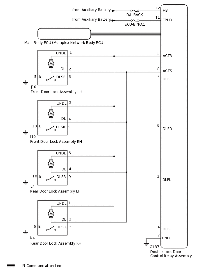
  2. Double Locking System (w/ Double Locking System)

    B438303E02
    Table 1. Communication Table

    Sender

    Receiver

    Signal

    Line

    Double Lock Door Control Relay Assembly

    Main Body ECU (Multiplex Network Body ECU)

    Double lock position switch signal

    LIN

    Main Body ECU (Multiplex Network Body ECU)

    Double Lock Door Control Relay Assembly

    Double lock set/unset request signal

    LIN

Table 2. Communication Table

Sender

Receiver

Signal

Line

Certification ECU (Smart Key ECU Assembly)

Main Body ECU (Multiplex Network Body ECU)

Back door opener switch signal

CAN

Combination Meter Assembly

Main Body ECU (Multiplex Network Body ECU)

Vehicle speed signal

CAN

Hybrid vehicle control ECU *

Main Body ECU (Multiplex Network Body ECU)

Shift position signal

CAN

*: w/ Panic Switch