ANTI-LOCK BRAKE SYSTEM SYSTEM DIAGRAM

C276284E09
C303005E02
C302918E02
C303414E01

Transmitting ECU (Transmitter)

Receiving ECU

Signal

Communication Method

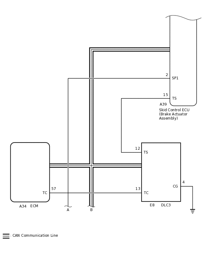
ECM

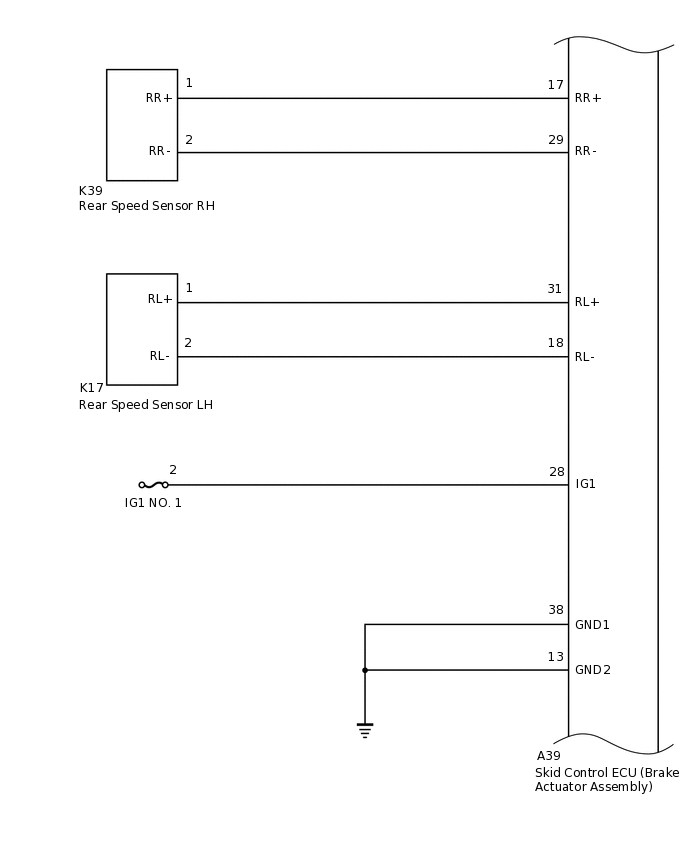
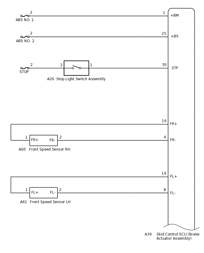
Skid control ECU (brake actuator assembly)

  • Shift position signal

  • Throttle position signal

  • Engine speed signal

  • Diagnosis (TC terminal) signal

CAN communication line

Skid control ECU (brake actuator assembly)

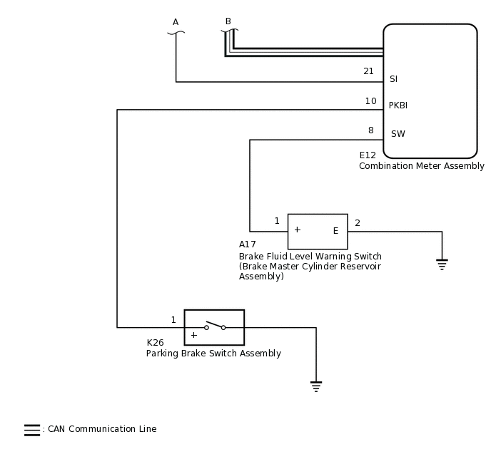
Combination meter assembly

  • ABS warning light signal

  • Brake warning light signal

  • Wheel speed signal

CAN communication line

Combination meter assembly

Skid control ECU (brake actuator assembly)

Parking brake switch signal

CAN communication line