THEFT DETERRENT SYSTEM Glass Breakage Sensor Circuit

DTC Code DTC Name
Glass Breakage Sensor Circuit

DESCRIPTION

When the glass breakage sensor detects that the back door glass, rear door quarter window glass LH or RH is tapped or broken, the sensor will set off the alarm for 30 seconds.

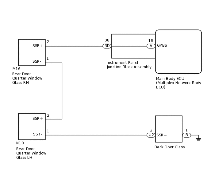
WIRING DIAGRAM

B341523E04

CAUTION / NOTICE / HINT

Note:

When replacing the main body ECU (multiplex network body ECU), make sure to replace it with a new one.

PROCEDURE

  1. READ VALUE USING GTS (GLASS BREAK SENSOR)

    1. Connect the GTS to the DLC3.

    2. Turn the power switch on (IG).

    3. Turn the GTS on.

    4. Enter the following menus: Body Electrical / Main Body / Data List.

    5. According to the display on the GTS, read the Data List.

      Body Electrical > Main Body > Data List

      Tester Display

      Measurement Item

      Range

      Normal Condition

      Diagnostic Note

      Sealed Glas Brak Sen

      Glass breakage sensor connecting

      With or Without

      With: Glass breakage sensor connected

      Without: Glass breakage sensor not connected

      -

      Body Electrical > Main Body > Data List

      Tester Display

      Sealed Glas Brak Sen

      OK

      "With" (glass breakage sensor operating) appears on GTS screen.

    Result

    Proceed to

    OK

    NG

    OK

    REPLACE MAIN BODY ECU (MULTIPLEX NETWORK BODY ECU)

    NG
  2. CHECK HARNESS AND CONNECTOR (MAIN BODY ECU [MULTIPLEX NETWORK BODY ECU] - GLASS BREAKAGE SENSOR AND BODY GROUND)

    1. Remove the main body ECU (multiplex network body ECU).

      Click here

    2. Connect the instrument panel junction block assembly connectors.

    3. Disconnect the M16, N10, U2 and B glass breakage sensor connectors.

    4. Measure the resistance according to the value(s) in the table below.

      Standard Resistance

      Tester Connection

      Condition

      Specified Condition

      A-19 (GPBS) - M16-2 (SSR+)

      Always

      Below 1 Ω

      M16-1 (SSR-) - N10-2 (SSR+)

      Always

      Below 1 Ω

      N10-1 (SSR-) - U2-2 (SSR+)

      Always

      Below 1 Ω

      B-1 - Body ground

      Always

      Below 1 Ω

      A-19 (GPBS) - Body ground

      Always

      10 kΩ or higher

      M16-2 (SSR+) - Body ground

      Always

      10 kΩ or higher

      M16-1 (SSR-) - Body ground

      Always

      10 kΩ or higher

      N10-2 (SSR+) - Body ground

      Always

      10 kΩ or higher

      N10-1 (SSR-) - Body ground

      Always

      10 kΩ or higher

      U2-2 (SSR+) - Body ground

      Always

      10 kΩ or higher

    Result

    Proceed to

    OK

    NG

    NG

    CHECK HARNESS AND CONNECTOR (INSTRUMENT PANEL JUNCTION BLOCK ASSEMBLY - GLASS BREAKAGE SENSOR)Click here

    OK
  3. INSPECT REAR DOOR QUARTER WINDOW GLASS RH

    1. Disconnect the M16 rear door quarter window glass RH connector.

    2. B240861N01

      Measure the resistance according to the value(s) in the table below.

      Standard Resistance

      Tester Connection

      Condition

      Specified Condition

      2 (SSR+) - 1 (SSR-)

      Always

      Below 1 Ω

    Result

    Proceed to

    OK

    NG

    NG

    REPLACE REAR DOOR QUARTER WINDOW GLASS RH

    OK
  4. INSPECT REAR DOOR QUARTER WINDOW GLASS LH

    1. Disconnect the N10 rear door quarter window glass LH connector.

    2. B240861N01

      Measure the resistance according to the value(s) in the table below.

      Standard Resistance

      Tester Connection

      Condition

      Specified Condition

      2 (SSR+) - 1 (SSR-)

      Always

      Below 1 Ω

    Result

    Proceed to

    OK

    NG

    NG

    REPLACE REAR DOOR QUARTER WINDOW GLASS LH

    OK
  5. INSPECT BACK DOOR GLASS

    1. Disconnect the U2 and B back door glass connectors.

    2. B341596N01

      Measure the resistance according to the value(s) in the table below.

      Standard Resistance

      Tester Connection

      Condition

      Specified Condition

      A-2 (SSR+) - B-1 (E)

      Always

      Below 1 Ω

    Result

    Proceed to

    OK

    NG

    OK

    REPLACE MAIN BODY ECU (MULTIPLEX NETWORK BODY ECU)

    NG

    REPLACE BACK DOOR GLASS

  6. CHECK HARNESS AND CONNECTOR (INSTRUMENT PANEL JUNCTION BLOCK ASSEMBLY - GLASS BREAKAGE SENSOR)

    1. Disconnect the 3D instrument panel junction block assembly connector.

    2. Disconnect the M16 glass breakage sensor connector.

    3. Measure the resistance according to the value(s) in the table below.

      Standard Resistance

      Tester Connection

      Condition

      Specified Condition

      3D-38 (GCS) - M16-2 (SSR+)

      Always

      Below 1 Ω

      3D-38 (GCS) - Body ground

      Always

      10 kΩ or higher

      M16-2 (SSR+) - Body ground

      Always

      10 kΩ or higher

    Result

    Proceed to

    OK

    NG

    OK

    REPLACE INSTRUMENT PANEL JUNCTION BLOCK ASSEMBLY

    NG

    REPAIR OR REPLACE HARNESS OR CONNECTOR