RELAY(w/ Heated Windshield Defroster System) ON-VEHICLE INSPECTION

PROCEDURE

  1. REMOVE FRONT WIPER DEICER RELAY

    1. Remove the front wiper deicer relay from the engine room relay block.

  2. INSPECT FRONT WIPER DEICER RELAY (HWD NO. 1)

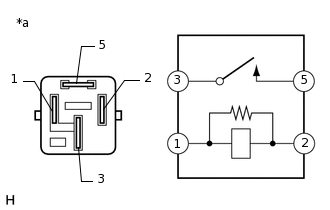
    1. E287491C02

      Measure the resistance according to the value(s) in the table below.

      Standard Resistance

      Tester Connection

      Condition

      Specified Condition

      3 - 5

      Battery voltage is not applied between terminals 1 and 2

      10 kΩ or higher

      Battery voltage is applied between terminals 1 and 2

      Below 1 Ω

      If the result is not as specified, replace the front wiper deicer relay.

  3. INSPECT FRONT WIPER DEICER RELAY (HWD NO. 2)

    1. E287491C02

      Measure the resistance according to the value(s) in the table below.

      Standard Resistance

      Tester Connection

      Condition

      Specified Condition

      3 - 5

      Battery voltage is not applied between terminals 1 and 2

      10 kΩ or higher

      Battery voltage is applied between terminals 1 and 2

      Below 1 Ω

      If the result is not as specified, replace the front wiper deicer relay.

  4. INSTALL FRONT WIPER DEICER RELAY

    1. Install the front wiper deicer relay to the engine room relay block.